| 序号 | 名称 | 材料或型号 | 序号 | 名称 | 材料或型号 |
1 | 电机 | Y系列(V5)4极 | 12 | 出水段 | HT200 | |
2 | 联轴器 | HT200 | 13 | 平衡套 | HT200 | |
3 | 弹性块 | 橡 胶 | 14 | 平衡鼓 | HT200 | |
4 | 轴承压盖 | HT200 | 15 | 末级导叶 | HT200 | |
5 | 轴承并帽 | 45 | 16 | 中段 | HT200 | |
6 | 轴承盒 | HT200 | 17 | 导叶 | HT200 | |
7 | 轴承 | 180系列 | 18 | 叶轮 | HT200 | |
8 | 挡水套 | 45 | 19 | 进水段 | HT200 | |
9 | 石棉压盖 | HT200 | 20 | 下轴套 | 45 | |
10 | 石棉 | 石 棉 | 21 | 下轴承 | 铜合金 | |
11 | 填料函体 | HT200 | 22 | 轴 | 45、2Cr13 | |
| 注:1、该泵型可按客户需要定做成热水型; 2、也可将轴封石棉填料换成机械密封; 3、以上需在订货时说明,价格另议。 | ||||||
型 号 | 级数 | 转速 | 效率 | 必需汽蚀余量 | 流量 | 扬程 | 功率 | 重量 |
r/min | % | M | m3/h | M | kw | Kg | ||
40DL6.2-11.2*2 | 2 | 1450 | 40 | 3.19 | 6.2 | 23.6 | 1.5 | 152 |
40DL6.2-11.2*3 | 3 | 1450 | 40 | 3.19 | 6.2 | 35.4 | 2.2 | 169 |
40DL6.2-11.2*4 | 4 | 1450 | 40 | 3.19 | 6.2 | 47.2 | 3 | 186 |
40DL6.2-11.2*5 | 5 | 1450 | 40 | 3.19 | 6.2 | 59 | 4 | 203 |
40DL6.2-11.2*6 | 6 | 1450 | 40 | 3.19 | 6.2 | 70.8 | 4 | 220 |
40DL6.2-11.2*7 | 7 | 1450 | 40 | 3.19 | 6.2 | 82.6 | 5.5 | 237 |
40DL6.2-11.2*8 | 8 | 1450 | 40 | 3.19 | 6.2 | 94.4 | 5.5 | 254 |
40DL6.2-11.2*9 | 9 | 1450 | 40 | 3.19 | 6.2 | 106.2 | 7.5 | 271 |
40DL6.2-11.2*10 | 10 | 1450 | 40 | 3.19 | 6.2 | 118 | 7.5 | / |
40DL6.2-11.2*11 | 11 | 1450 | 40 | 3.19 | 6.2 | 129.8 | 7.5 | / |
40DL6.2-11.2*12 | 12 | 1450 | 40 | 3.19 | 6.2 | 141.6 | 11 | / |
型 号 | 级数 | 转速 | 效率 | 必需汽蚀余量 | 流量 | 扬程 | 功率 | 重量 |
r/min | % | M | m3/h | M | kw | Kg | ||
50DL12.6-12.2*2 | 2 | 1450 | 54 | 2.66 | 12.6 | 24.4 | 3 | 15.3 |
50DL12.6-12.2*3 | 3 | 1450 | 54 | 2.66 | 12.6 | 36.6 | 3 | 18 |
50DL12.6-12.2*4 | 4 | 1450 | 54 | 2.66 | 12.6 | 48.8 | 4 | 23.1 |
50DL12.6-12.2*5 | 5 | 1450 | 54 | 2.66 | 12.6 | 61 | 5.5 | 33 |
50DL12.6-12.2*6 | 6 | 1450 | 54 | 2.66 | 12.6 | 73.2 | 5.5 | 24 |
50DL12.6-12.2*7 | 7 | 1450 | 54 | 2.66 | 12.6 | 85.4 | 7.5 | 15 |
50DL12.6-12.2*8 | 8 | 1450 | 54 | 2.66 | 12.6 | 97.6 | 7.5 | 18 |
50DL12.6-12.2*9 | 9 | 1450 | 54 | 2.66 | 12.6 | 109.8 | 11 | 22 |
50DL12.6-12.2*10 | 10 | 1450 | 54 | 2.66 | 12.6 | 122 | 11 | / |
型 号 | 级数 | 转速 | 效率 | 必需汽蚀余量 | 流量 | 扬程 | 功率 | 重量 |
r/min | % | M | m3/h | M | kw | Kg | ||
65DL30-16*2 | 2 | 1450 | 62 | 2.82 | 30 | 32 | 5.5 | 349 |
65DL30-16*3 | 3 | 1450 | 62 | 2.82 | 30 | 48 | 7.5 | 390 |
65DL30-16*4 | 4 | 1450 | 62 | 2.82 | 30 | 64 | 11 | 460 |
65DL30-16*5 | 5 | 1450 | 62 | 2.82 | 30 | 80 | 15 | 509 |
65DL30-16*6 | 6 | 1450 | 62 | 2.82 | 30 | 96 | 15 | 537 |
65DL30-16*7 | 7 | 1450 | 62 | 2.82 | 30 | 112 | 18.5 | 603 |
65DL30-16*8 | 8 | 1450 | 62 | 2.82 | 30 | 128 | 22 | 639 |
65DL30-16*9 | 9 | 1450 | 62 | 2.82 | 30 | 144 | 22 | 667 |
65DL30-16*10 | 10 | 1450 | 62 | 2.82 | 30 | 160 | 30 | 720 |
型 号 | 级数 | 转速 | 效率 | 必需汽蚀余量 | 流量 | 扬程 | 功率 | 重量 |
r/min | % | M | m3/h | M | kw | Kg | ||
80DL50-20*2 | 2 | 1450 | 70 | 2.5 | 50 | 40 | 11 | 461 |
80DL50-20*3 | 3 | 1450 | 70 | 2.5 | 50 | 60 | 15 | 522 |
80DL50-20*4 | 4 | 1450 | 70 | 2.5 | 50 | 80 | 22 | 608 |
80DL50-20*5 | 5 | 1450 | 70 | 2.5 | 50 | 100 | 30 | 728 |
80DL50-20*6 | 6 | 1450 | 70 | 2.5 | 50 | 120 | 30 | 768 |
80DL50-20*7 | 7 | 1450 | 70 | 2.5 | 50 | 140 | 37 | 822 |
80DL50-20*8 | 8 | 1450 | 70 | 2.5 | 50 | 160 | 45 | 898 |
80DL50-20*9 | 9 | 1450 | 70 | 2.5 | 50 | 180 | 45 | 938 |
80DL50-20*10 | 10 | 1450 | 70 | 2.5 | 50 | 200 | 55 | / |
型 号 | 级数 | 转速 | 效率 | 必需汽蚀余量 | 流量 | 扬程 | 功率 | 重量 |
r/min | % | M | m3/h | M | kw | Kg | ||
100DL72-20*2 | 2 | 1450 | 72 | 2.8 | 72 | 40 | 15 | 521 |
100DL72-20*3 | 3 | 1450 | 72 | 2.8 | 72 | 60 | 18.5 | 599 |
100DL72-20*4 | 4 | 1450 | 72 | 2.8 | 72 | 80 | 30 | 727 |
100DL72-20*5 | 5 | 1450 | 72 | 2.8 | 72 | 100 | 37 | 781 |
100DL72-20*6 | 6 | 1450 | 72 | 2.8 | 72 | 120 | 37 | 821 |
100DL72-20*7 | 7 | 1450 | 72 | 2.8 | 72 | 140 | 45 | 897 |
100DL72-20*8 | 8 | 1450 | 72 | 2.8 | 72 | 160 | 55 | 1044 |
100DL72-20*9 | 9 | 1450 | 72 | 2.8 | 72 | 180 | 55 | 1084 |
100DL72-20*10 | 10 | 1450 | 72 | 2.8 | 72 | 200 | 75 | / |
型 号 | 级数 | 转速 | 效率 | 必需汽蚀余量 | 流量 | 扬程 | 功率 | 重量 |
r/min | % | M | m3/h | M | kw | Kg | ||
100DL100-20*2 | 2 | 1450 | 72 | 3.5 | 100 | 40 | 18.5 | 554 |
100DL100-20*3 | 3 | 1450 | 72 | 3.5 | 100 | 60 | 30 | 687 |
100DL100-20*4 | 4 | 1450 | 72 | 3.5 | 100 | 80 | 37 | 746 |
100DL100-20*5 | 5 | 1450 | 72 | 3.5 | 100 | 100 | 45 | 827 |
100DL100-20*6 | 6 | 1450 | 72 | 3.5 | 100 | 120 | 55 | 979 |
100DL100-20*7 | 7 | 1450 | 72 | 3.5 | 100 | 140 | 75 | 1159 |
100DL100-20*8 | 8 | 1450 | 72 | 3.5 | 100 | 160 | 75 | 1204 |
100DL100-20*9 | 9 | 1450 | 72 | 3.5 | 100 | 180 | 90 | 1354 |
100DL100-20*10 | 10 | 1450 | 72 | 3.5 | 100 | 200 | 90 | / |
型 号 | 级数 | 转速 | 效率 | 必需汽蚀余量 | 流量 | 扬程 | 功率 | 重量 |
r/min | % | M | m3/h | M | kw | Kg | ||
150DL150-20*2 | 2 | 1450 | 80 | 2.8 | 150 | 40 | 30 | 569 |
150DL150-20*3 | 3 | 1450 | 80 | 2.8 | 150 | 60 | 37 | 707 |
150DL150-20*4 | 4 | 1450 | 80 | 2.8 | 150 | 80 | 45 | 771 |
150DL150-20*5 | 5 | 1450 | 80 | 2.8 | 150 | 100 | 55 | 857 |
150DL150-20*6 | 6 | 1450 | 80 | 2.8 | 150 | 120 | 75 | 1060 |
150DL150-20*7 | 7 | 1450 | 80 | 2.8 | 150 | 140 | 75 | 1245 |
150DL150-20*8 | 8 | 1450 | 80 | 2.8 | 150 | 160 | 90 | 1295 |
型 号 | 级数 | 转速 | 效率 | 必需汽蚀余量 | 流量 | 扬程 | 功率 | 重量 |
r/min | % | M | m3/h | M | kw | Kg | ||
150DL160-25*2 | 2 | 1450 | 76 | 3.5 | 160 | 50 | 37 | 873 |
150DL160-25*3 | 3 | 1450 | 76 | 3.5 | 160 | 75 | 55 | 1086 |
150DL160-25*4 | 4 | 1450 | 76 | 3.5 | 160 | 100 | 75 | 1291 |
150DL160-25*5 | 5 | 1450 | 76 | 3.5 | 160 | 125 | 90 | 1466 |
150DL160-25*6 | 6 | 1450 | 76 | 3.5 | 160 | 150 | 110 | 1633 |
150DL160-25*7 | 7 | 1450 | 76 | 3.5 | 160 | 175 | 132 | 1803 |
150DL160-25*8 | 8 | 1450 | 76 | 3.5 | 160 | 200 | 132 | 1873 |
150DL160-25*9 | 9 | 1450 | 76 | 3.5 | 160 | 225 | 160 | 2003 |
型 号 | 级数 | 转速 | 效率 | 必需汽蚀余量 | 流量 | 扬程 | 功率 | 重量 |
r/min | % | M | m3/h | M | kw | Kg | ||
200DL300-20*2 | 2 | 1450 | 79 | 5 | 300 | 40 | 55 | 983 |
200DL300-20*3 | 3 | 1450 | 79 | 5 | 300 | 60 | 75 | 1196 |
200DL300-20*4 | 4 | 1450 | 79 | 5 | 300 | 80 | 110 | 1845 |
200DL300-20*5 | 5 | 1450 | 79 | 5 | 300 | 100 | 132 | 1975 |
200DL300-20*6 | 6 | 1450 | 79 | 5 | 300 | 120 | 160 | 2120 |
200DL288-30*2 | 2 | 1450 | 77.9 | 3.7 | 288 | 60 | 75 | / |
200DL288-30*3 | 3 | 1450 | 77.9 | 3.7 | 288 | 90 | 110 | / |
200DL288-30*4 | 4 | 1450 | 77.9 | 3.7 | 288 | 120 | 132 | / |
200DL288-30*5 | 5 | 1450 | 77.9 | 3.7 | 288 | 150 | 160 | / |
200DL288-30*6 | 6 | 1450 | 77.9 | 3.7 | 288 | 180 | 200 | / |
| ||||||||||||||||
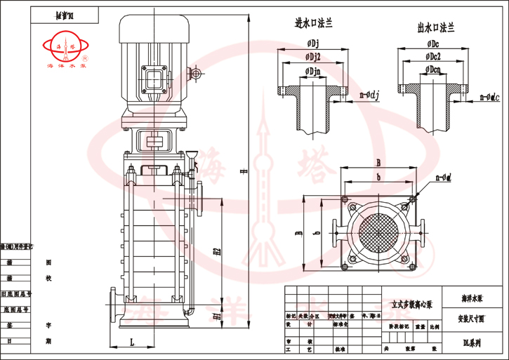
级数 | L | H | H1 | H2 | B | b | n-φd | 进口法兰 | 出口法兰 | |||||||
Dj | Djn | Dj2 | n-dj | Dc | Dcn | Dc2 | n-φdc | |||||||||
40DL6.2-11.2 | 2 | 225 | 938 | 112 | 170 | 350 | 300 | 4-φ18 | 150 | 40 | 110 | 4-φ18 | 150 | 40 | 110 | 4-φ18 |
40DL6.2-11.2 | 3 | 225 | 1043 | 112 | 230 | 350 | 300 | 4-φ18 | 150 | 40 | 110 | 4-φ18 | 150 | 40 | 110 | 4-φ18 |
40DL6.2-11.2 | 4 | 225 | 1103 | 112 | 290 | 350 | 300 | 4-φ18 | 150 | 40 | 110 | 4-φ18 | 150 | 40 | 110 | 4-φ18 |
40DL6.2-11.2 | 5 | 225 | 1183 | 112 | 350 | 350 | 300 | 4-φ18 | 150 | 40 | 110 | 4-φ18 | 150 | 40 | 110 | 4-φ18 |
40DL6.2-11.2 | 6 | 225 | 1243 | 112 | 410 | 350 | 300 | 4-φ18 | 150 | 40 | 110 | 4-φ18 | 150 | 40 | 110 | 4-φ18 |
40DL6.2-11.2 | 7 | 225 | 1378 | 112 | 470 | 350 | 300 | 4-φ18 | 150 | 40 | 110 | 4-φ18 | 150 | 40 | 110 | 4-φ18 |
40DL6.2-11.2 | 8 | 225 | 1438 | 112 | 530 | 350 | 300 | 4-φ18 | 150 | 40 | 110 | 4-φ18 | 150 | 40 | 110 | 4-φ18 |
40DL6.2-11.2 | 9 | 225 | 1538 | 112 | 590 | 350 | 300 | 4-φ18 | 150 | 40 | 110 | 4-φ18 | 150 | 40 | 110 | 4-φ18 |
40DL6.2-11.2 | 10 | 225 | 1598 | 112 | 650 | 350 | 300 | 4-φ18 | 150 | 40 | 110 | 4-φ18 | 150 | 40 | 110 | 4-φ18 |
40DL6.2-11.2 | 11 | 225 | 1658 | 112 | 710 | 350 | 300 | 4-φ18 | 150 | 40 | 110 | 4-φ18 | 150 | 40 | 110 | 4-φ18 |
40DL6.2-11.2 | 12 | 225 | 1803 | 112 | 770 | 350 | 300 | 4-φ18 | 150 | 40 | 110 | 4-φ18 | 150 | 40 | 110 | 4-φ18 |
级数 | L | H | H1 | H2 | B | b | n-φd | 进口法兰 | 出口法兰 | |||||||
Dj | Djn | Dj2 | n-dj | Dc | Dcn | Dc2 | n-φdc | |||||||||
50DL12.6-12.2 | 2 | 220 | 1084 | 104 | 189 | 360 | 305 | 4-φ18 | 165 | 50 | 125 | 4-φ18 | 150 | 40 | 110 | 4-φ18 |
50DL12.6-12.2 | 3 | 220 | 1152 | 104 | 257 | 360 | 305 | 4-φ18 | 165 | 50 | 125 | 4-φ18 | 150 | 40 | 110 | 4-φ18 |
50DL12.6-12.2 | 4 | 220 | 1240 | 104 | 325 | 360 | 305 | 4-φ18 | 165 | 50 | 125 | 4-φ18 | 150 | 40 | 110 | 4-φ18 |
50DL12.6-12.2 | 5 | 220 | 1383 | 104 | 393 | 360 | 305 | 4-φ18 | 165 | 50 | 125 | 4-φ18 | 150 | 40 | 110 | 4-φ18 |
50DL12.6-12.2 | 6 | 220 | 1451 | 104 | 461 | 360 | 305 | 4-φ18 | 165 | 50 | 125 | 4-φ18 | 150 | 40 | 110 | 4-φ18 |
50DL12.6-12.2 | 7 | 220 | 1559 | 104 | 529 | 360 | 305 | 4-φ18 | 165 | 50 | 125 | 4-φ18 | 150 | 40 | 110 | 4-φ18 |
50DL12.6-12.2 | 8 | 220 | 1629 | 104 | 597 | 360 | 305 | 4-φ18 | 165 | 50 | 125 | 4-φ18 | 150 | 40 | 110 | 4-φ18 |
50DL12.6-12.2 | 9 | 220 | 1780 | 104 | 665 | 360 | 305 | 4-φ18 | 165 | 50 | 125 | 4-φ18 | 150 | 40 | 110 | 4-φ18 |
50DL12.6-12.2 | 10 | 220 | 1848 | 104 | 733 | 360 | 305 | 4-φ18 | 165 | 50 | 125 | 4-φ18 | 150 | 40 | 110 | 4-φ18 |
级数 | L | H | H1 | H2 | B | b | n-φd | 进口法兰 | 出口法兰 | |||||||
Dj | Djn | Dj2 | n-dj | Dc | Dcn | Dc2 | n-φdc | |||||||||
65DL30-16 | 2 | 260 | 1306 | 170 | 199 | 430 | 370 | 4-φ24 | 185 | 65 | 145 | 4-φ18 | 165 | 50 | 125 | 4-φ18 |
65DL30-16 | 3 | 260 | 1426 | 170 | 279 | 430 | 370 | 4-φ24 | 185 | 65 | 145 | 4-φ18 | 165 | 50 | 125 | 4-φ18 |
65DL30-16 | 4 | 260 | 1591 | 170 | 359 | 430 | 370 | 4-φ24 | 185 | 65 | 145 | 4-φ18 | 165 | 50 | 125 | 4-φ18 |
65DL30-16 | 5 | 260 | 1716 | 170 | 439 | 430 | 370 | 4-φ24 | 185 | 65 | 145 | 4-φ18 | 165 | 50 | 125 | 4-φ18 |
65DL30-16 | 6 | 260 | 1796 | 170 | 519 | 430 | 370 | 4-φ24 | 185 | 65 | 145 | 4-φ18 | 165 | 50 | 125 | 4-φ18 |
65DL30-16 | 7 | 260 | 1901 | 170 | 599 | 430 | 370 | 4-φ24 | 185 | 65 | 145 | 4-φ18 | 165 | 50 | 125 | 4-φ18 |
65DL30-16 | 8 | 260 | 2021 | 170 | 679 | 430 | 370 | 4-φ24 | 185 | 65 | 145 | 4-φ18 | 165 | 50 | 125 | 4-φ18 |
65DL30-16 | 9 | 260 | 2101 | 170 | 759 | 430 | 370 | 4-φ24 | 185 | 65 | 145 | 4-φ18 | 165 | 50 | 125 | 4-φ18 |
65DL30-16 | 10 | 260 | 2246 | 170 | 839 | 430 | 370 | 4-φ24 | 185 | 65 | 145 | 4-φ18 | 165 | 50 | 125 | 4-φ18 |
级数 | L | H | H1 | H2 | B | b | n-φd | 进口法兰 | 出口法兰 | |||||||
Dj | Djn | Dj2 | n-dj | Dc | Dcn | Dc2 | n-φdc | |||||||||
80DL50-20 | 2 | 280 | 1515 | 120 | 277 | 450 | 400 | 4-φ24 | 200 | 80 | 160 | 8-φ18 | 185 | 65 | 145 | 4-φ18 |
80DL50-20 | 3 | 280 | 1649 | 120 | 366 | 450 | 400 | 4-φ24 | 200 | 80 | 160 | 8-φ18 | 185 | 65 | 145 | 4-φ18 |
80DL50-20 | 4 | 280 | 1865 | 120 | 455 | 450 | 400 | 4-φ24 | 200 | 80 | 160 | 8-φ18 | 185 | 65 | 145 | 4-φ18 |
80DL50-20 | 5 | 280 | 2030 | 120 | 544 | 450 | 400 | 4-φ24 | 200 | 80 | 160 | 8-φ18 | 185 | 65 | 145 | 4-φ18 |
80DL50-20 | 6 | 280 | 2120 | 120 | 633 | 450 | 400 | 4-φ24 | 200 | 80 | 160 | 8-φ18 | 185 | 65 | 145 | 4-φ18 |
80DL50-20 | 7 | 280 | 2270 | 120 | 722 | 450 | 400 | 4-φ24 | 200 | 80 | 160 | 8-φ18 | 185 | 65 | 145 | 4-φ18 |
80DL50-20 | 8 | 280 | 2385 | 120 | 811 | 450 | 400 | 4-φ24 | 200 | 80 | 160 | 8-φ18 | 185 | 65 | 145 | 4-φ18 |
80DL50-20 | 9 | 280 | 2475 | 120 | 900 | 450 | 400 | 4-φ24 | 200 | 80 | 160 | 8-φ18 | 185 | 65 | 145 | 4-φ18 |
80DL50-20 | 10 | 280 | 2665 | 120 | 989 | 450 | 400 | 4-φ24 | 200 | 80 | 160 | 8-φ18 | 185 | 65 | 145 | 4-φ18 |
级数 | L | H | H1 | H2 | B | b | n-φd | 进口法兰 | 出口法兰 | |||||||
Dj | Djn | Dj2 | n-dj | Dc | Dcn | Dc2 | n-φdc | |||||||||
100DL72-20 | 2 | 285 | 1616 | 180 | 293 | 470 | 405 | 4-φ24 | 220 | 100 | 180 | 8-φ18 | 200 | 80 | 160 | 8-φ18 |
100DL72-20 | 3 | 285 | 1784 | 180 | 396 | 470 | 405 | 4-φ24 | 220 | 100 | 180 | 8-φ18 | 200 | 80 | 160 | 8-φ18 |
100DL72-20 | 4 | 285 | 1932 | 180 | 499 | 470 | 405 | 4-φ24 | 220 | 100 | 180 | 8-φ18 | 200 | 80 | 160 | 8-φ18 |
100DL72-20 | 5 | 285 | 2060 | 180 | 602 | 470 | 405 | 4-φ24 | 220 | 100 | 180 | 8-φ18 | 200 | 80 | 160 | 8-φ18 |
100DL72-20 | 6 | 285 | 2248 | 180 | 705 | 470 | 405 | 4-φ24 | 220 | 100 | 180 | 8-φ18 | 200 | 80 | 160 | 8-φ18 |
100DL72-20 | 7 | 285 | 2421 | 180 | 808 | 470 | 405 | 4-φ24 | 220 | 100 | 180 | 8-φ18 | 200 | 80 | 160 | 8-φ18 |
100DL72-20 | 8 | 285 | 2524 | 180 | 911 | 470 | 405 | 4-φ24 | 220 | 100 | 180 | 8-φ18 | 200 | 80 | 160 | 8-φ18 |
100DL72-20 | 9 | 285 | 2677 | 180 | 1014 | 470 | 405 | 4-φ24 | 220 | 100 | 180 | 8-φ18 | 200 | 80 | 160 | 8-φ18 |
100DL72-20 | 10 | 285 | 2780 | 180 | 1117 | 470 | 405 | 4-φ24 | 220 | 100 | 180 | 8-φ18 | 200 | 80 | 160 | 8-φ18 |
级数 | L | H | H1 | H2 | B | b | n-φd | 进口法兰 | 出口法兰 | |||||||
Dj | Djn | Dj2 | n-dj | Dc | Dcn | Dc2 | n-φdc | |||||||||
100DL100-20 | 2 | 285 | 1493 | 180 | 293 | 470 | 405 | 4-φ24 | 220 | 100 | 180 | 8-φ18 | 200 | 80 | 160 | 8-φ18 |
100DL100-20 | 3 | 285 | 1655 | 180 | 396 | 470 | 405 | 4-φ24 | 220 | 100 | 180 | 8-φ18 | 200 | 80 | 160 | 8-φ18 |
100DL100-20 | 4 | 285 | 1777 | 180 | 499 | 470 | 405 | 4-φ24 | 220 | 100 | 180 | 8-φ18 | 200 | 80 | 160 | 8-φ18 |
100DL100-20 | 5 | 285 | 1807 | 180 | 602 | 470 | 405 | 4-φ24 | 220 | 100 | 180 | 8-φ18 | 200 | 80 | 160 | 8-φ18 |
100DL100-20 | 6 | 285 | 1984 | 180 | 705 | 470 | 405 | 4-φ24 | 220 | 100 | 180 | 8-φ18 | 200 | 80 | 160 | 8-φ18 |
100DL100-20 | 7 | 285 | 2111 | 180 | 808 | 470 | 405 | 4-φ24 | 220 | 100 | 180 | 8-φ18 | 200 | 80 | 160 | 8-φ18 |
100DL100-20 | 8 | 285 | 2213 | 180 | 911 | 470 | 405 | 4-φ24 | 220 | 100 | 180 | 8-φ18 | 200 | 80 | 160 | 8-φ18 |
100DL100-20 | 9 | 285 | 2415 | 180 | 1014 | 470 | 405 | 4-φ24 | 220 | 100 | 180 | 8-φ18 | 200 | 80 | 160 | 8-φ18 |
100DL100-20 | 10 | 285 | 2517 | 180 | 1117 | 470 | 405 | 4-φ24 | 220 | 100 | 180 | 8-φ18 | 200 | 80 | 160 | 8-φ18 |
级数 | L | H | H1 | H2 | B | b | n-φd | 进口法兰 | 出口法兰 | |||||||
Dj | Djn | Dj2 | n-dj | Dc | Dcn | Dc2 | n-φdc | |||||||||
150DL150-20 | 2 | 310 | 1680 | 150 | 315 | 470 | 410 | 4-φ24 | 285 | 150 | 240 | 8-φ23 | 245 | 125 | 210 | 8-φ18 |
150DL150-20 | 3 | 310 | 1840 | 150 | 430 | 470 | 410 | 4-φ24 | 285 | 150 | 240 | 8-φ23 | 245 | 125 | 210 | 8-φ18 |
150DL150-20 | 4 | 310 | 2020 | 150 | 545 | 470 | 410 | 4-φ24 | 285 | 150 | 240 | 8-φ23 | 245 | 125 | 210 | 8-φ18 |
150DL150-20 | 5 | 310 | 2260 | 150 | 660 | 470 | 410 | 4-φ24 | 285 | 150 | 240 | 8-φ23 | 245 | 125 | 210 | 8-φ18 |
150DL150-20 | 6 | 310 | 2445 | 150 | 775 | 470 | 410 | 4-φ24 | 285 | 150 | 240 | 8-φ23 | 245 | 125 | 210 | 8-φ18 |
150DL150-20 | 7 | 310 | 2610 | 150 | 890 | 470 | 410 | 4-φ24 | 285 | 150 | 240 | 8-φ23 | 245 | 125 | 210 | 8-φ18 |
150DL150-20 | 8 | 310 | 2725 | 150 | 1005 | 470 | 410 | 4-φ24 | 285 | 150 | 240 | 8-φ23 | 245 | 125 | 210 | 8-φ18 |
150DL150-20 | 9 | 310 | 3240 | 150 | 1120 | 470 | 410 | 4-φ24 | 285 | 150 | 240 | 8-φ23 | 245 | 125 | 210 | 8-φ18 |
级数 | L | H | H1 | H2 | B | b | n-φd | 进口法兰 | 出口法兰 | |||||||
Dj | Djn | Dj2 | n-dj | Dc | Dcn | Dc2 | n-φdc | |||||||||
150DL160-25 | 2 | 345 | 1895 | 155 | 372 | 550 | 480 | 4-φ24 | 285 | 150 | 240 | 8-φ23 | 245 | 125 | 210 | 8-φ18 |
150DL160-25 | 3 | 345 | 2135 | 155 | 504 | 550 | 480 | 4-φ24 | 285 | 150 | 240 | 8-φ23 | 245 | 125 | 210 | 8-φ18 |
150DL160-25 | 4 | 345 | 2335 | 155 | 636 | 550 | 480 | 4-φ24 | 285 | 150 | 240 | 8-φ23 | 245 | 125 | 210 | 8-φ18 |
150DL160-25 | 5 | 345 | 2515 | 155 | 768 | 550 | 480 | 4-φ24 | 285 | 150 | 240 | 8-φ23 | 245 | 125 | 210 | 8-φ18 |
150DL160-25 | 6 | 345 | 2800 | 155 | 900 | 550 | 480 | 4-φ24 | 285 | 150 | 240 | 8-φ23 | 245 | 125 | 210 | 8-φ18 |
150DL160-25 | 7 | 345 | 2975 | 155 | 1032 | 550 | 480 | 4-φ24 | 285 | 150 | 240 | 8-φ23 | 245 | 125 | 210 | 8-φ18 |
150DL160-25 | 8 | 345 | 3110 | 155 | 1164 | 550 | 480 | 4-φ24 | 285 | 150 | 240 | 8-φ23 | 245 | 125 | 210 | 8-φ18 |
150DL160-25 | 9 | 345 | 3240 | 155 | 1260 | 550 | 480 | 4-φ24 | 285 | 150 | 240 | 8-φ23 | 245 | 125 | 210 | 8-φ18 |
级数 | L | H | H1 | H2 | B | b | n-φd | 进口法兰 | 出口法兰 | |||||||
Dj | Djn | Dj2 | n-dj | Dc | Dcn | Dc2 | n-φdc | |||||||||
200DL300-20 | 2 | 380 | 2010 | 182 | 600 | 600 | 550 | 4-φ24 | 340 | 200 | 295 | 12-φ23 | 285 | 150 | 240 | 8-φ23 |
200DL300-20 | 3 | 380 | 2320 | 182 | 760 | 600 | 550 | 4-φ24 | 340 | 200 | 295 | 12-φ23 | 285 | 150 | 240 | 8-φ23 |
200DL300-20 | 4 | 380 | 2660 | 182 | 905 | 600 | 550 | 4-φ24 | 340 | 200 | 295 | 12-φ23 | 285 | 150 | 240 | 8-φ23 |
200DL300-20 | 5 | 380 | 2860 | 182 | 1050 | 600 | 550 | 4-φ24 | 340 | 200 | 295 | 12-φ23 | 285 | 150 | 240 | 8-φ23 |
200DL300-20 | 6 | 380 | 3010 | 182 | 1200 | 600 | 550 | 4-φ24 | 340 | 200 | 295 | 12-φ23 | 285 | 150 | 240 | 8-φ23 |
200DL288-30 | 2 | 380 | 2185 | 182 | 600 | 600 | 550 | 4-φ24 | 340 | 200 | 295 | 12-φ23 | 285 | 150 | 240 | 8-φ23 |
200DL288-30 | 3 | 380 | 2355 | 182 | 760 | 600 | 550 | 4-φ24 | 340 | 200 | 295 | 12-φ23 | 285 | 150 | 240 | 8-φ23 |
200DL288-30 | 4 | 380 | 2795 | 182 | 905 | 600 | 550 | 4-φ24 | 340 | 200 | 295 | 12-φ23 | 285 | 150 | 240 | 8-φ23 |
200DL288-30 | 5 | 380 | 2945 | 182 | 1050 | 600 | 550 | 4-φ24 | 340 | 200 | 295 | 12-φ23 | 285 | 150 | 240 | 8-φ23 |
200DL288-30 | 6 | 380 | 3095 | 182 | 1200 | 600 | 550 | 4-φ24 | 340 | 200 | 295 | 12-φ23 | 285 | 150 | 240 | 8-φ23 |
| 刚性连接1球阀2挠性接头3压力表4真空压力表5闸阀6弯管7取压直管8水泥台座 | 柔性连接1球阀2挠性接头3取压直管4闸阀5弯管6泵7联接板8JGD型隔振器9水泥台座 |
| 联接板尺寸 | 刚性联接水泥台座基础图 | |
| 型号联接板尺寸刚性联接水泥台座基础尺寸A×AB×BC×CHd1d2D×DE×EF×FHdh40DL30054060080φ14或φ18φ183005005602506020050DL30554060080φ14或φ18φ183055005602506020065DL37074080080φ14或φ18φ243705005602508025080DL40074080080φ18或φ22φ2440060066035080250100DL41074080080φ18或φ22φ2441060066035080250150DL55084090080φ18或φ22φ2455070076035080250200DL60084090080φ22φ2460080088035080250 | ||
清水泵其它系列产品
TD立式管道循环清水泵
QHYB-ISG生活变频供水设备
QHYB-LG生活自动变频供水设备
QHYB-GDL生活成套变频供水设备
QHYB-DL生活变频恒压给水设备
QHYB-CDL生活变频恒压给水设备
G型立式屏蔽管道清水泵
QDX不锈钢潜水清水泵
CHDF不锈钢节段式卧式多级清水泵
ZXL卧式直联自吸离心清水泵
SOW型蜗壳式双吸管道清水泵
S型卧式单级双吸中开离心清水泵
IS卧式单级单吸清水泵
ZX自吸离心清水泵
CHL不锈钢卧式多级清水泵
D/DG型卧式多级清水泵
GC型卧式给水多级清水泵
D型卧式单吸多级离心清水泵
LG立式便拆高层建筑给水多级清水泵
GDL立式多级管道清水泵
CDL不锈钢立式多级清水泵
DL立式多级低转速清水泵
PBG立式屏蔽清水泵
ISW卧式单级管道清水泵
ISWD卧式单级低转速管道清水泵
ISGD立式单级单吸低转速增压管道清水泵
TSWA卧式低转速多级清水泵
SPG立式管道屏蔽式清水泵
ISGB立式便拆管道清水泵
ISG立式单级单吸增压管道清水泵
通过手机号验证后将自动下载
短信验证码已发送,可能会有延后请耐心等待
输入手机号我们将及时与您取得联系
上海海洋泵阀制造有限公司提示您:
点击立刻咨询