XWJ卧式无堵塞纸浆泵
XWJ卧式无堵塞纸浆泵
XWJ卧式无堵塞纸浆泵

产品型号:

产品介绍

型号意义
XWJ无堵塞纸浆泵型号意义

 

 

产品简介
XWJ无堵塞纸浆泵是一种新型、节能型纸浆泵,经实际使用,具有高效、无或少泄露、抗堵塞性好、运行平稳、可靠性高、结构紧凑等特点。主要体现在以下几个方面:采用半开或全开式叶轮、耐磨板与叶轮前侧间隙可调、轴封主要采用机械密封并选用高精度轴承(D级精度)及优质轴材料等.

 

 

 

结构说明
1.XWJ无堵塞纸浆泵为单级单吸悬臂式结构,主要φ泵体、叶轮、泵盖、耐磨板及悬架部件组成
2.从电机端看,电机为顺时针方向旋转,且泵为轴向吸入,径向(φ间)排出
3.泵为后开门结构,维修时可不必拆卸进出管路
4.泵轴由两个高精度滚动轴承支承,采用稀油润滑(20撑机油)
5.轴封采用机械密封或填料两种型式
6.耐磨板与叶轮前侧间隙可通过调节螺杆进行调节,以保持叶轮连续运行的高效性
7.泵和电机由柱销联轴器直联传动。
该泵的各过流部件材质为HT200、QT450-10、ZG35或ZG1Cr18Ni9Ti,轴材质为40Cr或3Cr13。

 

 

 

产品用途
XWJ无堵塞纸浆泵可广泛用于轻工、造纸行业中温度低于110℃,浓度低于6%浆料的输送,同时也可用于工业和城市给水、排水等场合

 

 

 

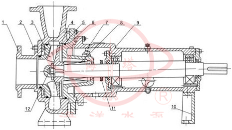
结构示意图

XWJ无堵塞纸浆泵结构图

1

泵体

7

软管接头

2

调节螺杆

8

填料或机械密封

3

耐磨板

9

县架部件

4

叶轮

10

支架

5

O形圈

11

挡水圈

6

泵盖

12

叶轮螺母

 

 

 

性能参数

泵型号

流量
(m3/h)

扬程
(m)

转速
(r/min)

配套电机型号及功率
(KW)

80XWJ25-12.5

25

12.5

1450

Y100L1-4/2.2

80XWJ25-12.5A

20

10

1450

Y90l-4/1.5

80XWJ25-20

25

20

1450

Y100L2-4/3

80XWJ25-20A

20

16

1450

Y100L-4/2.2

100XWJ50-20

50

20

1450

Y132S-4/5.5

100XWJ50-20A

45

18

1450

Y112M-4/4

100XWJ50-20B

40

16

1450

Y112M-4/4

100XWJ50-32

50

32

1450

Y160M-4/11

100XWJ50-32A

40

26

1450

Y132S-4/5.5

125XWJ100-20

100

20

1450

Y160M-4/11

125XWJ100-20A

90

18

1450

Y132S-4/7.5

125XWJ100-20B

80

16

1450

Y132S-4/7.5

125XWJ100-32

100

32

1450

Y160M-4/15

125XWJ100-32A

90

28

1450

Y160M-4/11

125XWJ100-32B

80

26

1450

Y160M-4/11

150XWJ200-20

200

20

1450

Y180M-4/18.5

150XWJ200-20A

180

18

1450

Y160M-4/15

150XWJ200-20B

160

16

1450

Y160M-4/11

150XWJ200-32

200

32

1450

Y200L-4/30

150XWJ200-32A

187

28

1450

Y180M-4/22

150XWJ200-32B

170

24

1450

Y180M-4/18.5

200XWJ400-20

400

20

1450

Y225S-4/37

200XWJ400-20A

380

18

1450

Y200L-4/30

200XWJ400-20B

340

15

1450

Y180L-4/22

200XWJ400-32

400

32

1450

Y250M-4/55

200XWJ400-32A

375

28

1450

Y225M-4/45

200XWJ400-32B

340

24

1450

Y225S-4/37

注:实验介质为常温下的清水

 

 

 

型谙图

XWJ无堵塞纸浆泵型谱图

 

 

 

使用说明
1、泵起动前,应按以下要求进行检;
1.1、各螺栓是否己紧固;轴承室内是否已注入稀油(油位高为油标中心处)
1.2、联轴器同轴度是否小于等于小Φ0.3mm,同时用手转动联轴器应感觉轻松均匀
1.3、电机转向是否正确
1.4、进口阀门是否全开
1.5、出口阀门是否关闭
1.6、密封水阀门是否开启;密封水压力要求:工作压力加上(0.3~0.5)kgf/c
2、启动电机至额定转速后,缓慢打开出口阀门至额定工况要求(以电机运行电流为额定值的80%。为宜)。
3、泵在运行过程中,应注意泵的运转稳定性及密封水的冷却、冲洗情况。
4、当泵运行一段时间或扬程有所下降时,应注意调整叶轮前侧间隙,调节方法如下: 先松开各紧固螺母,将方头调节螺杆(见结构图)按逆时针转动至耐磨板与叶轮前侧相碰为止,然后 再按顺时针将方头调节螺杆退回至1/2圈〈此时其间隙为0.8~1mm),然后拧紧各螺母。
5、泵停止运转时,应先关闭出口阀门,然后再关闭电机电源等。
6、当泵需停用一段时间时,应排尽泵内积液,以便下次使用。

 

 

 

安装尺寸图

XWJ无堵塞纸浆泵安装尺寸图

泵型号

配套电机型号及功率(kw)

A

L1

L2

L3

a

L4

L5

B1

B

H1

H

n-d

80XWJ25-12.5

Y100L1-4/2.2

60

768

108

550

110

371

847

310

350

215

425

4-Φ18

80XWJ25-12.5A

Y90L-4/1.5

60

768

108

550

110

371

807

310

350

215

425

4-Φ18

80XWJ25-20

Y100L2-4/3

110

980

120

740

125

491

847

440

490

255

490

4-Φ18

80XWJ25-20A

Y100L1-4/2.2

110

980

120

740

125

491

847

440

490

255

490

4-Φ18

100XWJ50-20

Y132S-4/1.5

90

920

130

660

125

472

1077

440

490

270

520

4-Φ18

100XWJ50-20A

Y112M-4/4

90

920

130

660

125

472

1002

440

490

270

520

4-Φ18

100XWJ50-20B

Y112M-4/4

90

920

130

660

125

472

1002

440

490

270

520

4-Φ18

100XWJ50-32

Y160M-4/11

90

1043

125

740

125

472

1207

460

510

300

580

4-Φ18

100XWJ50-32A

Y132S-4/5.5

90

990

125

740

125

472

1077

460

510

300

580

4-Φ18

125XWJ100-20

Y160M-4/11

90

1200

180

840

140

502

1252

460

510

300

580

4-Φ24

125XWJ100-20A

Y132M-4/7.5

90

990

125

740

140

502

1162

460

510

300

580

4-Φ18

125XWJ100-20B

Y132M-4/7.5

90

990

125

740

140

502

1162

460

510

300

580

4-Φ18

125XWJ100-32

Y160L-4/15

90

1200

180

840

140

502

1297

460

510

325

640

4-Φ24

125XWJ100-32A

Y160M-4/11

90

1200

180

840

140

502

1252

460

510

325

640

4-Φ24

125XWJ100-32B

Y160M-4/11

90

1200

180

840

140

502

1252

460

510

325

640

4-Φ24

150XWJ200-20

Y180M-4/18.5

90

1200

180

840

150

502

1327

460

510

325

680

4-Φ24

150XWJ200-20A

Y160L-4/15

90

1200

180

840

150

502

1307

460

510

325

680

4-Φ24

150XWJ200-20B

Y160M-4/11

90

1200

180

840

150

502

1262

460

510

325

680

4-Φ24

150XWJ200-32

Y200L-4/30

90

1200

180

840

150

502

1432

460

510

375

730

4-Φ24

150XWJ200-32A

Y180L-4/22

90

1200

180

840

150

502

1367

460

510

375

730

4-Φ24

150XWJ200-32B

Y180M-4/18.5

90

1200

180

840

150

502

1327

460

510

375

730

4-Φ24

200XWJ400-20

Y225S-4/37

115

1500

200

1050

350

652

1487

630

690

465

865

4-Φ28

200XWJ400-20A

Y200L-4/30

115

1500

200

1050

350

652

1442

630

690

465

865

4-Φ28

200XWJ400-20B

Y180L-4/22

115

1500

200

1050

350

652

1377

630

690

465

865

4-Φ28

200XWJ400-32

Y250M-4/55

115

1500

200

1050

350

652

1717

630

690

465

865

4-Φ28

200XWJ400-32A

Y225M-4/45

115

1500

200

1050

350

652

1632

630

690

465

865

4-Φ28

200XWJ400-32B

Y225S-4/37

115

1500

200

1050

350

652

1607

630

690

465

865

4-Φ28

 

 

 

法兰尺寸图

XWJ无堵塞纸浆泵法兰尺寸图

泵型号

进口法兰尺寸

出口法兰尺寸

DN1

D1

D11

d1

b1

n1-d01

DN2

D2

D12

d2

b2

n2-d02

80XWJ25-12.5

80

190

150

128

18

4-Φ18

65

160

130

110

16

4-Φ18

80XWJ25-20

80

190

150

128

18

4-Φ18

65

160

130

110

16

4-Φ18

100XWJ50-20

100

210

170

148

18

4-Φ18

80

190

150

128

18

4-Φ18

100XWJ50-32

100

210

170

148

18

4-Φ18

80

190

150

128

18

4-Φ18

125XWJ100-20

125

240

200

178

20

8-Φ18

100

210

170

148

18

4-Φ18

125XWJ100-32

125

240

200

178

20

8-Φ18

100

210

170

148

18

4-Φ18

150XWJ200-20

150

265

225

202

20

8-Φ18

125

240

200

178

20

8-Φ18

150XWJ200-32

150

265

225

202

20

8-Φ18

125

240

200

178

20

8-Φ18

200XWJ400-20

200

320

280

258

22

8-Φ18

150

265

225

202

20

8-Φ18

200XWJ400-32

200

320

280

258

22

8-Φ18

150

265

225

202

20

8-Φ18

排污泵其它系列产品

  • QDX潜水排污泵

  • XWJ卧式无堵塞纸浆泵

  • WQK/QG无堵塞切割绞刀式潜水排污泵

  • JYWQ系列自动搅匀排污泵

  • ZWL型直联式无堵塞自吸排污泵

  • ZW型无堵塞自吸式排污泵

  • YW无堵塞液下式排污泵

  • QW/WQ无堵塞潜水排污泵

  • PW卧式悬臂离心排污泵

  • NL立式泥浆排污泵

  • WL/LW无堵塞直立式排污泵

  • GW无堵塞管道式排污泵

  • AS切割撕裂式潜水排污泵



联系我们

输入手机号我们将及时与您取得联系

点击立刻咨询

提交成功!

上海海洋泵阀制造有限公司提示您:

请输入正确的手机号码!
确定
关闭
获取产品图册资料

通过手机号验证后将自动下载

手机号码格式不正确,请重新输入
获取验证码

短信验证码已发送,可能会有延后请耐心等待

关闭
高级工程师
专业为您选型报价

输入手机号我们将及时与您取得联系

提交成功!

上海海洋泵阀制造有限公司提示您:

请输入正确的手机号码!
确定
工程师一对一服务

点击立刻咨询