型号意义

产品简介
AS切割撕裂式潜水排污泵适用于输送含有坚硬固体、纤维物的液体,以及特别脏、粘和滑的液体。所有AS泵均装有经调整好的撕裂机构,能将污水中长纤维、袋、带、草、布等撕裂后排出。因此,在污水中工作不会堵塞,运行可靠。
产品特点
1.排污能力强,无堵塞,能有效地通过直径φ30~φ80毫米的固体颗粒。
2.撕裂机构能将纤维状物质撕裂,切断,然后顺利排放,无需在泵上加滤网。
3.设计合理,配套电机功率小,节能效果显著。
4.采用机械密封,可以使泵安全连续运行在8000小时以上。
5.结构紧凑,移动方便,安装简单,可减少工程造价,无须建泵房。
6.能够在全扬程范围内使用,而保证电机不会过载。
7.浮球开关可以根据所需的水位变化,自动控制泵的启动与停止,不需专人看管。
8.双导轨自动安装系统,它给安装,维修带来了极大的方便,人可不必为此而进出污水坑。
9.配备全自动保护控制箱对产品的漏电、漏水以及过载等进行了有效保护,提高了产品的安全性和可靠性。
产品用途
1、工厂、商业严重污染废水的排放。
2、城市污水处理厂排水系统。
3、住宅区的污水排水站。
4、人防系统排水站。
5、医院、宾馆的污水排放。
6、市政工程建筑工地。
7、勘探、矿山配套附机。
8、农村沼气池、农田灌溉。
工作条件
AS:连续使用时约40℃。间歇使用(不超过5分钟)为80℃。
AS:系列泵主要零件材料为铸铁,所以不能应用于抽吸高度腐蚀性液体。
结构说明
1、泵结构紧凑,体积小,外形美观,占地面积小,节省建筑费用;
2、泵的吸入口和出水口在同一中心线上,简化管路的连接;
3、根据实际情况,泵的进出口可装配成90°、180°、270°不同的方向;
4、根据实际情况,泵的出口可装配成1~5个出口,以满足同一台泵上获得不同的扬程;
性能参数
型号 | 流量 | 扬程 | 电机功率 | 转速 | 额定电压 | 额定电流 | 配用胶管内径 | 自耦装置 | 重量 |
(m3/h) | (M) | (kw) | (r/min) | (V) | (A) | mm |
AS10-2W/CB | 15 | 4 | 1.1 | 2850 | 220 | 5.65 | 76 | 80GAK | 30 |
AS10-2CB | 15 | 4.5 | 1.1 | 2850 | 380 | 2.9 | 76 | 80GAK | 30 |
AS16-2CB | 29 | 7.6 | 1.5 | 2850 | 380 | 3.5 | 76 | 80GAK | 33 |
AS30-2CB | 42 | 11 | 3 | 2850 | 380 | 6.4 | 76 | 80GAK | 40 |
AS55-2CB | 45 | 13 | 5.5 | 2900 | 380 | 11.1 | 127 | 100GAK | 165 |
AS55-4CB | 100 | 7.5 | 5.5 | 1450 | 380 | 11.6 | 152 | 150GAK | 180 |
AS75-2CB | 60 | 18 | 7.5 | 2900 | 380 | 15.0 | 127 | 100GAK | 185 |
AS75-4CB | 145 | 10 | 7.5 | 1450 | 380 | 15.4 | 152 | 150GAK | 200 |
AV14-4 | 22 | 5.8 | 1.5 | 1450 | 380 | 3.5 | 76 | 80GAK | 33 |
AV55-2 | 30 | 20 | 5.5 | 2900 | 380 | 11.1 | 76 | 100GAK | 165 |
AV75-2 | 30 | 25 | 7.5 | 2900 | 380 | 15.0 | 76 | 100GAK | 200 |
性能曲线
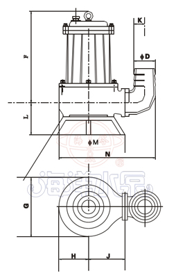
外形尺寸

| 型号 | D | F | G | H | J | K | L | M | N |
AS10-2W/CB | 76 | 280 | 220 | 110 | 130 | 70 | 100 | 210 | 373 |
AS10-2CB | 76 | 280 | 220 | 110 | 130 | 70 | 100 | 210 | 373 |
AS16-2CB | 76 | 280 | 220 | 110 | 130 | 70 | 100 | 210 | 373 |
AS30-2CB | 76 | 335 | 220 | 110 | 155 | 70 | 100 | 260 | 398 |
AS55-2CB | 127 | 630 | 350 | 175 | 240 | 160 | 310 | 430 | 688 |
AS55-4CB | 127 | 630 | 350 | 175 | 240 | 160 | 310 | 430 | 688 |
AS75-2CB | 152 | 655 | 400 | 205 | 248 | 190 | 335 | 430 | 740 |
AS75-4CB | 152 | 655 | 400 | 205 | 248 | 190 | 335 | 430 | 740 |
运输与使用注意事项
1、决不允许用的电缆线起吊或悬挂水泵,在搬运或悬挂水泵时,可用带钩的链条钩在把手上或上盖的吊环上;
2、在移动使用时,出水软管可用前面表格规定的标准软管接头,接在水泵的出水弯管上,固定使用时,可根据自耦装置的法兰标准设置管路;
3、水泵不能放在污水的出口处,当水泵座放在泥地上或浮沙上时,水泵由于震动,产生下陷,这时建议用戶将泵悬置置或放在一个较大的底板上;
4、如果泵仍在继续运转,在0℃以下的气溫时,可以继续使用,但如果停止不用时,则应将泵吊起清洗保管;
5、出水管內径应符合规定的要求,但在输送距离较远时,也可适当减小內径但易引起堵塞,降低输送效率,不经济;
6、在污水中使用的泵,经过长时间运转之后,在机壳的周围可能堆集泥浆等杂物,降低了传热的速度,使泵的內部溫度上升,缩短电机的使用寿命,或造成无缘无故的跳闸,因此,每运转一定时段之后〔比如降至低水位)应用软管对泵进行冲洗,保持其淸洁;
7、泵密封使用10#-30#机械油进行润滑冷却,由于密封磨损,润滑油会漏出,而辙送介质也可能经过密封逬入电机,这时请赶快将泵送至本厂修理部门或委托维修点更換密封,以免将水泵电机烧坏;
8、未切断电源时,不得移动水泵,不得在泵工作吋接触四周的水源,以防泵万一漏电,而又无地面漏电断流器装置时,造成触电事故;
9、潜水电泵安装以后,不宜长期浸泡在水中不用,从而增加电机受潮的机会,同时建议每周至少运转4小时以检查其功能及适应性,否则,应提起放在干燥处备用。
使用说明
在水泵启动之前,应由一名合格的电工对该系统进行检查,以确保下列下述各顶所要求的电器保护措施:
1、泵在运转前,应用0~500兆欧表检查电机相间及相对地绝缘电阻,低値应大于2MΩ;
2、电源装置应安全、可靠、正常。电源电压、频率应符合规定(电压为380V±5%,频率为50Hz±1%),且电压的瞬时超差不应超过10%。如电源离水泵使用的距萬较远时,电缆的截面积应加粗,接头应尽可能少些,否则会使电压下降太多,且应在电缆接头处作密封防水处理,以防漏电;
3、在四芯电缆中,带有符号"┴"者为接地线(一般为绿黃双色线或黑色线)为了保证安全使用, 必须牢固接地,并比其它线长出50mm;
4、条件许可时,电器保护装置可包括:接地保护器,地面漏电断流器等,但是在任何情况下,都必须装有和电泵额定电流値相符的慢熔保险熔断丝
5、电器控制装置应防潮,井安装在防潮的区域,电缆的安放应注意不要使其堵在泵的吸入口处;
6、检查转子转动方向。
在电泵初次启动或重新安装后都应检查转动方向,转动方向不正确运转会造成水泵效率降低,或造成叶轮脫落等损坏水泵事顶。
为测定转子转动方向,在水泵安装之前,应举高并作点动运行,符合下列情况即转动方向正确, 否则,应交換控制器上三相线中任意两根线的位置以改变转动方向。
a、从泵的顶部向下看,转子顺时针方向转动;
b、从底部向上看〔即吸入口方向〕可见叶片按逆时针方向转动。
注:如果几台泵连到同一个控制器上,则应单独检查。
维护与保养说明
AS泵产品可靠,性能优良。每台在出厂前,都认真地进行了检验.润滑的滚珠轴承使水泵具有耐用性。然而,为了保证水泵的使用寿命,建议进行定期的检查和保养。
1.底座盖板的调整:
在有磨损的介质中长期使用之后,叶轮和底座盖板之间的间隙可能增大。拆掉电源,松开固定螺丝,旋转盖板,便可以将间隙调整到原来的状态(03-0.5MM).
2.清洗:
为防止水泵在不用时,内部积有杂质,可用泵抽清洁的水来清洗水泵。水泵长期不用,应置于干燥处,并注意防冻.
3.注油与换油
AS切割式潜污泵的油室在出厂包装前,已注入适量的润滑油.该油应每年进行更换。换油应按下列方法进行:把泵放置好,使得油室螺塞(位于出水口内侧)朝下,拧松螺塞,放出润滑油,然后用洗涤油清洗油室,再注入适量的油(约70-80%),换一个新的。型圈,将螺塞旋紧。如果油中发现有水(奶状乳化脚,按规定冲洗油室并重新装油,装紧带新的。形圈的螺塞。三个星期后必须重新检查一次,如果油又变成乳状液,机械密封件应进行检查。必要时应更换(于我厂维修部接治)。如呆自己更换密封孔,须做气密试验.(空气压力。_5kg/c时)润滑油:10[#]机械油
4.运转故障
万一运转发生故障,不能确定原因,并且按后面提出的排除故障方法仍不能解决时,请不要采取临时凑的办法,也不要私自乱拆乱修,而应与我厂维修部门联系。这一点尤其适用于由于控制部分中过流断路而引起的反复跳闸现象。
安装注意事项
正确安装使用是该泵长久,正常运转的基本保证,特别提醒用戶千万不可大意:
1、水泵电源线必须与配套电控装置或匹配热继电保护器相连接,不得直接与总电源相接;
2、无论是移动安装还是自动固定式安装,提泵链索及电缆线均不应垂落太长以免被泵吸进切断;
3、积水池底部泥浆过绸或硬石过多时,应将泵置于该物质之上30cm或将泵放置于一块大的铁板之上;
4、水泵排水管应按说明选用,不宜随便改变;
5、单台水泵安装在水无可能回流情况下,尽可能不装止回阀;
6、双台水泵并联时,不得将闸阀及止回阀安置在主管处,以致泥沙反沖至备用泵上端造成止回阀不能启动,如有可能应在橫管处设干井,安装置放止回阀及闬阀;
7、确保水泵转向正确后,方可投入连续运转;
8、本系列水泵长期使用过程中,无论自动、手动,不得频繁启动,一般每小时不宜超过六次;
9、维修水泵时,必须切断电源。
故障分析及其排除方法
故障原因 | 原因分析 | 处理方法 |
泵的流量 或扬程下降 | 1.泵反转 2、输送扬程太高。 3、抽吸的介质走旁路。 4、出水管泄漏。 5、出水管局部可能被沉积物堵死 6、泵局部堵塞。 7、叶轮/底座磨损。 | 1、关掉控制箱的总电源,洞換任何二相电源线。 2、检查:a、选择的泵型号是否正确。b、出水管尺寸是否正确。 3、检查阀门是否被关死,然后满员载测试泵。 4、找出泄漏,幷逬行修正。 5、检查管线,清理或更換新的。 6、吊起泵涌理,如果泵放在滤网內,同样也需检查和清理 7、吊起泵凋整间隙或更換零件。 |
泵的运转 后无流量 | 1、气塞。
2、检查出水排放阀门。
3、泵反转。 | 1、a、接二连三地打幵和关闭阀门几次。 b、启动停止泵几次,每次重新启动之间间隙为2—3分钟 c、根据不同的安装方法,检査是否需裝一个空气释放阀 2、a、如果阀门处于关闭状态应打幵。 b、如果装反了,应重新倒过来。 3、参见1.(1) |
泵起动和 停止太频繁 | 1、浮球开关定的距离太短。 2、逆止阀故障,逆止阀不能止回, 使液体倒流入污水池。 | 1、重调浮球开关,延长运行时间。 2、检查并维修。 |
停止失灵 | 1、浮球幵关,亭止"功能失灵”。 2、浮球上浮子卡在"工作"的位置 | 1、检查,如需要应予更换。 2、忪幵,如需要的活,可改変位置。 |
泵起动后, 断路器过载器 跳开 | 1、电压低。
2、电压过高。 3、电讥接线不对 4、电容器参数不对。 5、控制盒或电容器故障。
6、在蜗壳底部堆积了泥浆或它沉积物。 | 1、a、检查控制盒电压,如电压过低,暂时不能使用。 b、电缆线过长,引起压降过大,应尽量缩短电缆,幷适当选择粗些的电缆 2、装变压器,将电压洞到规定的范围。 3、检查在控制盒中的电缆彩色编号和接头标号并检查接线 4、确保使用断电器是否能开启电容器。 5、a、仔细检查布线、电容器等。禁止用超过推荐数值的原件来更换断路器。 b、检查断电器是否能开启电容器。 6、清理泵和污水池,参见安装说明中的有关部分。 |
泵不能启动, 熔丝熔断或 断路器跳开 | 1、浮球故障。 2、绕组、接头或电缆断路。 3、泵被堵塞 | 1、检查使用旁路浮球幵关是否能启动泵。如是,应检查浮球幵关。 2、用欧姆表检查。如果证明是路,检查绕组,接线头及电缆。 3、切断电源,将泵移出污水池,清除障碍物复位前试用一下。 |
泵启动不了, 但熔丝没断 或过载保护器不跳开 | 1、没电。 2、绕组、电缆、接线头或控制麁断路。 | 1、检查控制盒是否有电。 2、检查电缆、电机的接头和绕组。 |
排污泵其它系列产品
QDX潜水排污泵
XWJ卧式无堵塞纸浆泵
WQK/QG无堵塞切割绞刀式潜水排污泵
JYWQ系列自动搅匀排污泵
ZWL型直联式无堵塞自吸排污泵
ZW型无堵塞自吸式排污泵
YW无堵塞液下式排污泵
QW/WQ无堵塞潜水排污泵
PW卧式悬臂离心排污泵
NL立式泥浆排污泵
WL/LW无堵塞直立式排污泵
GW无堵塞管道式排污泵
AS切割撕裂式潜水排污泵