| 序号 | 名称 | 材料或型号 | 序号 | 名称 | 材料或型号 |
1 | 电机 | Y系列(V5)2极 | 9 | 轴套 | Q235 | |
2 | 电机架 | HT200 | 10 | 中段 | HT200 | |
3 | 联轴器 | HT200 | 11 | 导叶 | HT200 | |
4 | 机封压盖 | HT200 | 12 | 叶轮 | HT200 | |
5 | 放气阀 | 铜合金 | 13 | 轴 | 45、2Cr13 | |
6 | 机械密封 | 120A | 14 | 轴承 | 锡青铜 | |
7 | 末导叶 | HT200 | 15 | 进水段 | HT200 | |
8 | 出水段 | HT200 |
型号 | 级数 | 流量 | 扬程 | 转速 | 电机功率 | 效率 | 重量 | 必需汽蚀余量 |
(m3/h) | (M) | (r/min) | (kw) | (%) | Kg | (NPSH)r(m) | ||
25LG(R)3-10*2 | 2 | 3 | 20 | 2900 | 0.75 | 42 | 70 | 2.0 |
25LG(R)3-10*3 | 3 | 3 | 30 | 2900 | 1.1 | 42 | 74 | 2.0 |
25LG(R)3-10*4 | 4 | 3 | 40 | 2900 | 1.5 | 42 | 85 | 2.0 |
25LG(R)3-10*5 | 5 | 3 | 50 | 2900 | 1.5 | 42 | 89 | 2.0 |
25LG(R)3-10*6 | 6 | 3 | 60 | 2900 | 2.2 | 42 | 100 | 2.0 |
25LG(R)3-10*7 | 7 | 3 | 70 | 2900 | 2.2 | 42 | 104 | 2.0 |
25LG(R)3-10*8 | 8 | 3 | 80 | 2900 | 2.2 | 42 | 108 | 2.0 |
25LG(R)3-10*9 | 9 | 3 | 90 | 2900 | 2.2 | 42 | 112 | 2.0 |
25LG(R)3-10*10 | 10 | 3 | 100 | 2900 | 3 | 42 | 125 | 2.0 |
25LG(R)3-10*11 | 11 | 3 | 110 | 2900 | 3 | 42 | 129 | 2.0 |
25LG(R)3-10*12 | 12 | 3 | 120 | 2900 | 4 | 42 | 145 | 2.0 |
25LG(R)3-10*13 | 13 | 3 | 130 | 2900 | 4 | 42 | 149 | 2.0 |
25LG(R)3-10*14 | 14 | 3 | 140 | 2900 | 4 | 42 | 153 | 2.0 |
25LG(R)3-10*15 | 15 | 3 | 150 | 2900 | 4 | 42 | 157 | 2.0 |
型号 | 级数 | 流量 | 扬程 | 转速 | 电机功率 | 效率 | 重量 | 必需汽蚀余量 |
(m3/h) | (M) | (r/min) | (kw) | (%) | Kg | (NPSH)r(m) | ||
32LG(R)6.5-15*2 | 2 | 6.5 | 30 | 2900 | 1.5 | 53 | 90 | 2.4 |
32LG(R)6.5-15*3 | 3 | 6.5 | 45 | 2900 | 2.2 | 53 | 100 | 2.4 |
32LG(R)6.5-15*4 | 4 | 6.5 | 60 | 2900 | 3 | 53 | 115 | 2.4 |
32LG(R)6.5-15*5 | 5 | 6.5 | 75 | 2900 | 4 | 53 | 135 | 2.4 |
32LG(R)6.5-15*6 | 6 | 6.5 | 90 | 2900 | 4 | 53 | 142 | 2.4 |
32LG(R)6.5-15*7 | 7 | 6.5 | 105 | 2900 | 5.5 | 53 | 175 | 2.4 |
32LG(R)6.5-15*8 | 8 | 6.5 | 120 | 2900 | 5.5 | 53 | 182 | 2.4 |
32LG(R)6.5-15*9 | 9 | 6.5 | 135 | 2900 | 5.5 | 53 | 190 | 2.4 |
32LG(R)6.5-15*10 | 10 | 6.5 | 150 | 2900 | 7.5 | 53 | 210 | 2.4 |
40LG(R)12-15*2 | 2 | 12 | 30 | 2900 | 2.2 | 60 | 90 | 2.9 |
40LG(R)12-15*3 | 3 | 12 | 45 | 2900 | 3 | 60 | 105 | 2.9 |
40LG(R)12-15*4 | 4 | 12 | 60 | 2900 | 4 | 60 | 130 | 2.9 |
40LG(R)12-15*5 | 5 | 12 | 75 | 2900 | 5.5 | 60 | 155 | 2.9 |
40LG(R)12-15*6 | 6 | 12 | 90 | 2900 | 5.5 | 60 | 163 | 2.9 |
40LG(R)12-15*7 | 7 | 12 | 105 | 2900 | 7.5 | 60 | 180 | 2.9 |
40LG(R)12-15*8 | 8 | 12 | 120 | 2900 | 7.5 | 60 | 190 | 2.9 |
40LG(R)12-15*9 | 9 | 12 | 135 | 2900 | 11 | 60 | 215 | 2.9 |
40LG(R)12-15*10 | 10 | 12 | 150 | 2900 | 11 | 60 | 225 | 2.9 |
型号 | 级数 | 流量 | 扬程 | 转速 | 电机功率 | 效率 | 重量 | 必需汽蚀余量 |
(m3/h) | (M) | (r/min) | (kw) | (%) | Kg | (NPSH)r(m) | ||
50LG(R)24-20*2 | 2 | 24 | 40 | 2900 | 5.5 | 69 | 160 | 3.2 |
50LG(R)24-20*3 | 3 | 24 | 60 | 2900 | 7.5 | 69 | 180 | 3.2 |
50LG(R)24-20*4 | 4 | 24 | 80 | 2900 | 11 | 69 | 250 | 3.2 |
50LG(R)24-20*5 | 5 | 24 | 100 | 2900 | 11 | 69 | 260 | 3.2 |
50LG(R)24-20*6 | 6 | 24 | 120 | 2900 | 15 | 69 | 280 | 3.2 |
50LG(R)24-20*7 | 7 | 24 | 140 | 2900 | 15 | 69 | 290 | 3.2 |
50LG(R)24-20*8 | 8 | 24 | 160 | 2900 | 18.5 | 69 | 315 | 3.2 |
65LG(R)36-20*2 | 2 | 36 | 40 | 2900 | 7.5 | 72 | 170 | 3.4 |
65LG(R)36-20*3 | 3 | 36 | 60 | 2900 | 11 | 72 | 230 | 3.4 |
65LG(R)36-20*4 | 4 | 36 | 80 | 2900 | 15 | 72 | 250 | 3.4 |
65LG(R)36-20*5 | 5 | 36 | 100 | 2900 | 18.5 | 72 | 280 | 3.4 |
65LG(R)36-20*6 | 6 | 36 | 120 | 2900 | 22 | 72 | 330 | 3.4 |
65LG(R)36-20*7 | 7 | 36 | 140 | 2900 | 22 | 72 | 345 | 3.4 |
65LG(R)36-20*8 | 8 | 36 | 160 | 2900 | 30 | 72 | 395 | 3.4 |
型号 | 级数 | 流量 | 扬程 | 转速 | 电机功率 | 效率 | 重量 | 必需汽蚀余量 |
(m3/h) | (M) | (r/min) | (kw) | (%) | Kg | (NPSH)r(m) | ||
80LG(R)50-20*2 | 2 | 50 | 40 | 2900 | 11 | 73 | 250 | 3.4 |
80LG(R)50-20*3 | 3 | 50 | 60 | 2900 | 15 | 73 | 280 | 3.4 |
80LG(R)50-20*4 | 4 | 50 | 80 | 2900 | 18.5 | 73 | 310 | 3.4 |
80LG(R)50-20*5 | 5 | 50 | 100 | 2900 | 22 | 73 | 360 | 3.4 |
80LG(R)50-20*6 | 6 | 50 | 120 | 2900 | 30 | 73 | 440 | 3.4 |
80LG(R)50-20*7 | 7 | 50 | 140 | 2900 | 30 | 73 | 460 | |
80LG(R)50-20*8 | 8 | 50 | 160 | 2900 | 37 | 73 | 490 | |
100LG72-20*2 | 2 | 72 | 40 | 2900 | 11 | 73 | 260 | 3.5 |
100LG72-20*3 | 3 | 72 | 60 | 2900 | 18.5 | 73 | 290 | 3.5 |
100LG72-20*4 | 4 | 72 | 80 | 2900 | 22.0 | 73 | 380 | 3.5 |
100LG72-20*5 | 5 | 72 | 100 | 2900 | 30.0 | 73 | 450 | 3.5 |
100LG72-20*6 | 6 | 72 | 120 | 2900 | 37.0 | 73 | 470 | 3.5 |
100LG72-20*7 | 7 | 72 | 140 | 2900 | 45.0 | 73 | 520 | 3.5 |
100LG72-20*8 | 8 | 72 | 160 | 2900 | 45.0 | 73 | 540 | 3.5 |
100LG72-20*9 | 9 | 72 | 180 | 2900 | 55.0 | 73 | 3.5 | |
型号 | 级数 | 流量 | 扬程 | 转速 | 电机功率 | 效率 | 重量 | 必需汽蚀余量 |
(m3/h) | (M) | (r/min) | (kw) | (%) | Kg | (NPSH)r(m) | ||
100LG100-20*2 | 2 | 100 | 40 | 2900 | 18.5 | 76 | 3.7 | |
100LG100-20*3 | 3 | 100 | 60 | 2900 | 30 | 76 | 3.7 | |
100LG100-20*4 | 4 | 100 | 80 | 2900 | 37 | 76 | 3.7 | |
100LG100-20*5 | 5 | 100 | 100 | 2900 | 45 | 76 | 3.7 | |
100LG100-20*6 | 6 | 100 | 120 | 2900 | 55 | 76 | 3.7 | |
100LG100-20*7 | 7 | 100 | 140 | 2900 | 75 | 76 | 3.7 | |
100LG100-20*8 | 8 | 100 | 160 | 2900 | 75 | 76 | 3.7 | |
150LG150-20*2 | 2 | 150 | 40 | 2900 | 30 | 77 | 4.1 | |
150LG150-20*3 | 3 | 150 | 60 | 2900 | 37 | 77 | 4.1 | |
150LG150-20*4 | 4 | 150 | 80 | 2900 | 45 | 77 | 4.1 | |
150LG150-20*5 | 5 | 150 | 100 | 2900 | 55 | 77 | 4.1 | |
150LG150-20*6 | 6 | 150 | 120 | 2900 | 75 | 77 | 4.1 | |
150LG150-20*7 | 7 | 150 | 140 | 2900 | 90 | 77 | 4.1 | |
150LG150-20*8 | 8 | 150 | 160 | 2900 | 90 | 77 | 4.1 | |
150LG150-20*9 | 9 | 150 | 180 | 2900 | 110 | 77 | 4.1 | |
150LG150-20*10 | 10 | 150 | 200 | 2900 | 132 | 77 | 4.1 |
| ||||||||||||||||
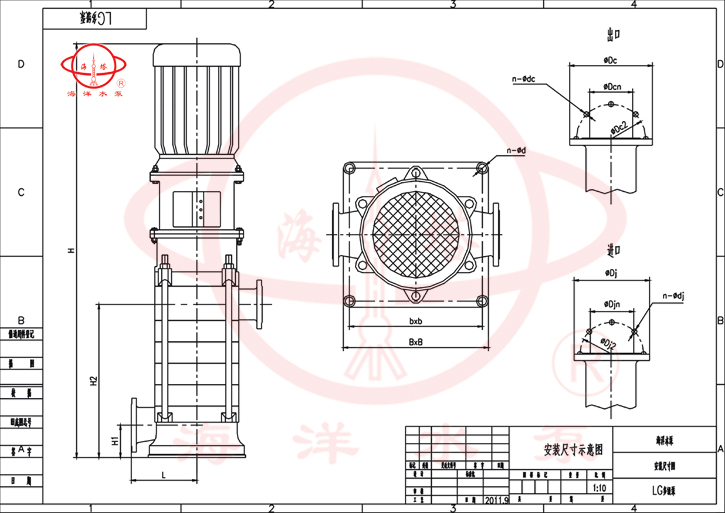
级数 | L | H | H1 | H2 | B | b | n-φd | 进口法兰 | 出口法兰 | |||||||
Dj | Djn | Dj2 | n-dj | Dc | Dcn | Dc2 | n-φdc | |||||||||
25LG(R)3-10 | 2 | 130 | 630 | 85 | 180 | 230 | 190 | 4-φ18 | 115 | 25 | 85 | 4-M12 | 115 | 25 | 85 | 4-φ14 |
25LG(R)3-10 | 3 | 130 | 670 | 85 | 220 | 230 | 190 | 4-φ18 | 115 | 25 | 85 | 4-M12 | 115 | 25 | 85 | 4-φ14 |
25LG(R)3-10 | 4 | 130 | 710 | 85 | 260 | 230 | 190 | 4-φ18 | 115 | 25 | 85 | 4-M12 | 115 | 25 | 85 | 4-φ14 |
25LG(R)3-10 | 5 | 130 | 755 | 85 | 305 | 230 | 190 | 4-φ18 | 115 | 25 | 85 | 4-M12 | 115 | 25 | 85 | 4-φ14 |
25LG(R)3-10 | 6 | 130 | 825 | 85 | 340 | 230 | 190 | 4-φ18 | 115 | 25 | 85 | 4-M12 | 115 | 25 | 85 | 4-φ14 |
25LG(R)3-10 | 7 | 130 | 865 | 85 | 380 | 230 | 190 | 4-φ18 | 115 | 25 | 85 | 4-M12 | 115 | 25 | 85 | 4-φ14 |
25LG(R)3-10 | 8 | 130 | 900 | 85 | 425 | 230 | 190 | 4-φ18 | 115 | 25 | 85 | 4-M12 | 115 | 25 | 85 | 4-φ14 |
25LG(R)3-10 | 9 | 130 | 945 | 85 | 460 | 230 | 190 | 4-φ18 | 115 | 25 | 85 | 4-M12 | 115 | 25 | 85 | 4-φ14 |
25LG(R)3-10 | 10 | 130 | 1020 | 85 | 500 | 230 | 190 | 4-φ18 | 115 | 25 | 85 | 4-M12 | 115 | 25 | 85 | 4-φ14 |
25LG(R)3-10 | 11 | 130 | 1060 | 85 | 540 | 230 | 190 | 4-φ18 | 115 | 25 | 85 | 4-M12 | 115 | 25 | 85 | 4-φ14 |
25LG(R)3-10 | 12 | 130 | 1120 | 85 | 580 | 230 | 190 | 4-φ18 | 115 | 25 | 85 | 4-M12 | 115 | 25 | 85 | 4-φ14 |
25LG(R)3-10 | 13 | 130 | 1160 | 85 | 620 | 230 | 190 | 4-φ18 | 115 | 25 | 85 | 4-M12 | 115 | 25 | 85 | 4-φ14 |
25LG(R)3-10 | 14 | 130 | 1200 | 85 | 660 | 230 | 190 | 4-φ18 | 115 | 25 | 85 | 4-M12 | 115 | 25 | 85 | 4-φ14 |
25LG(R)3-10 | 15 | 130 | 1240 | 85 | 700 | 230 | 190 | 4-φ18 | 115 | 25 | 85 | 4-M12 | 115 | 25 | 85 | 4-φ14 |
级数 | L | H | H1 | H2 | B | b | n-φd | 进口法兰 | 出口法兰 | |||||||
Dj | Djn | Dj2 | n-dj | Dc | Dcn | Dc2 | n-φdc | |||||||||
32LG(R)6.5-15 | 2 | 145 | 665 | 63 | 179 | 260 | 220 | 4-φ18 | 140 | 32 | 100 | 4-M16 | 140 | 32 | 100 | 4-φ18 |
32LG(R)6.5-15 | 3 | 145 | 740 | 63 | 229 | 260 | 220 | 4-φ18 | 140 | 32 | 100 | 4-M16 | 140 | 32 | 100 | 4-φ18 |
32LG(R)6.5-15 | 4 | 145 | 825 | 63 | 279 | 260 | 220 | 4-φ18 | 140 | 32 | 100 | 4-M16 | 140 | 32 | 100 | 4-φ18 |
32LG(R)6.5-15 | 5 | 145 | 895 | 63 | 329 | 260 | 220 | 4-φ18 | 140 | 32 | 100 | 4-M16 | 140 | 32 | 100 | 4-φ18 |
32LG(R)6.5-15 | 6 | 145 | 945 | 63 | 379 | 260 | 220 | 4-φ18 | 140 | 32 | 100 | 4-M16 | 140 | 32 | 100 | 4-φ18 |
32LG(R)6.5-15 | 7 | 145 | 1070 | 63 | 429 | 260 | 220 | 4-φ18 | 140 | 32 | 100 | 4-M16 | 140 | 32 | 100 | 4-φ18 |
32LG(R)6.5-15 | 8 | 145 | 1120 | 63 | 479 | 260 | 220 | 4-φ18 | 140 | 32 | 100 | 4-M16 | 140 | 32 | 100 | 4-φ18 |
32LG(R)6.5-15 | 9 | 145 | 1170 | 63 | 529 | 260 | 220 | 4-φ18 | 140 | 32 | 100 | 4-M16 | 140 | 32 | 100 | 4-φ18 |
32LG(R)6.5-15 | 10 | 145 | 1220 | 63 | 579 | 260 | 220 | 4-φ18 | 140 | 32 | 100 | 4-M16 | 140 | 32 | 100 | 4-φ18 |
40LG(R)12-15 | 2 | 145 | 710 | 70 | 193 | 260 | 220 | 4-φ18 | 150 | 40 | 110 | 4-M16 | 150 | 40 | 110 | 4-φ18 |
40LG(R)12-15 | 3 | 145 | 800 | 70 | 251 | 260 | 220 | 4-φ18 | 150 | 40 | 110 | 4-M16 | 150 | 40 | 110 | 4-φ18 |
40LG(R)12-15 | 4 | 145 | 880 | 70 | 309 | 260 | 220 | 4-φ18 | 150 | 40 | 110 | 4-M16 | 150 | 40 | 110 | 4-φ18 |
40LG(R)12-15 | 5 | 145 | 1015 | 70 | 367 | 260 | 220 | 4-φ18 | 150 | 40 | 110 | 4-M16 | 150 | 40 | 110 | 4-φ18 |
40LG(R)12-15 | 6 | 145 | 1075 | 70 | 425 | 260 | 220 | 4-φ18 | 150 | 40 | 110 | 4-M16 | 150 | 40 | 110 | 4-φ18 |
40LG(R)12-15 | 7 | 145 | 1170 | 70 | 483 | 260 | 220 | 4-φ18 | 150 | 40 | 110 | 4-M16 | 150 | 40 | 110 | 4-φ18 |
40LG(R)12-15 | 8 | 145 | 1230 | 70 | 541 | 260 | 220 | 4-φ18 | 150 | 40 | 110 | 4-M16 | 150 | 40 | 110 | 4-φ18 |
40LG(R)12-15 | 9 | 145 | 1410 | 70 | 599 | 260 | 220 | 4-φ18 | 150 | 40 | 110 | 4-M16 | 150 | 40 | 110 | 4-φ18 |
40LG(R)12-15 | 10 | 145 | 1465 | 70 | 657 | 260 | 220 | 4-φ18 | 150 | 40 | 110 | 4-M16 | 150 | 40 | 110 | 4-φ18 |
级数 | L | H | H1 | H2 | B | b | n-φd | 进口法兰 | 出口法兰 | |||||||
Dj | Djn | Dj2 | n-dj | Dc | Dcn | Dc2 | n-φdc | |||||||||
50LG(R)24-20 | 2 | 180 | 885 | 80 | 214 | 300 | 248 | 4-φ23 | 165 | 50 | 125 | 4-M16 | 165 | 50 | 125 | 4-φ18 |
50LG(R)24-20 | 3 | 180 | 985 | 80 | 273 | 300 | 248 | 4-φ23 | 165 | 50 | 125 | 4-M16 | 165 | 50 | 125 | 4-φ18 |
50LG(R)24-20 | 4 | 180 | 1145 | 80 | 332 | 300 | 248 | 4-φ23 | 165 | 50 | 125 | 4-M16 | 165 | 50 | 125 | 4-φ18 |
50LG(R)24-20 | 5 | 180 | 1210 | 80 | 391 | 300 | 248 | 4-φ23 | 165 | 50 | 125 | 4-M16 | 165 | 50 | 125 | 4-φ18 |
50LG(R)24-20 | 6 | 180 | 1275 | 80 | 450 | 300 | 248 | 4-φ23 | 165 | 50 | 125 | 4-M16 | 165 | 50 | 125 | 4-φ18 |
50LG(R)24-20 | 7 | 180 | 1340 | 80 | 509 | 300 | 248 | 4-φ23 | 165 | 50 | 125 | 4-M16 | 165 | 50 | 125 | 4-φ18 |
50LG(R)24-20 | 8 | 180 | 1450 | 80 | 568 | 300 | 248 | 4-φ23 | 165 | 50 | 125 | 4-M16 | 165 | 50 | 125 | 4-φ18 |
65LG(R)36-20 | 2 | 180 | 965 | 90 | 245 | 300 | 248 | 4-φ23 | 185 | 65 | 145 | 4-M16 | 185 | 65 | 145 | 4-φ18 |
65LG(R)36-20 | 3 | 180 | 1120 | 90 | 304 | 300 | 248 | 4-φ23 | 185 | 65 | 145 | 4-M16 | 185 | 65 | 145 | 4-φ18 |
65LG(R)36-20 | 4 | 180 | 1185 | 90 | 363 | 300 | 248 | 4-φ23 | 185 | 65 | 145 | 4-M16 | 185 | 65 | 145 | 4-φ18 |
65LG(R)36-20 | 5 | 180 | 1295 | 90 | 422 | 300 | 248 | 4-φ23 | 185 | 65 | 145 | 4-M16 | 185 | 65 | 145 | 4-φ18 |
65LG(R)36-20 | 6 | 180 | 1390 | 90 | 481 | 300 | 248 | 4-φ23 | 185 | 65 | 145 | 4-M16 | 185 | 65 | 145 | 4-φ18 |
65LG(R)36-20 | 7 | 180 | 1455 | 90 | 540 | 300 | 248 | 4-φ23 | 185 | 65 | 145 | 4-M16 | 185 | 65 | 145 | 4-φ18 |
65LG(R)36-20 | 8 | 180 | 1615 | 90 | 599 | 300 | 248 | 4-φ23 | 185 | 65 | 145 | 4-M16 | 185 | 65 | 145 | 4-φ18 |
级数 | L | H | H1 | H2 | B | b | n-φd | 进口法兰 | 出口法兰 | |||||||
Dj | Djn | Dj2 | n-dj | Dc | Dcn | Dc2 | n-φdc | |||||||||
80LG(R)50-20 | 2 | 187 | 965 | 112 | 301 | 315 | 272 | 4-φ23 | 200 | 80 | 160 | 8-M16 | 200 | 80 | 160 | 8-φ18 |
80LG(R)50-20 | 3 | 187 | 1195 | 112 | 379 | 315 | 272 | 4-φ23 | 200 | 80 | 160 | 8-M16 | 200 | 80 | 160 | 8-φ18 |
80LG(R)50-20 | 4 | 187 | 1270 | 112 | 457 | 315 | 272 | 4-φ23 | 200 | 80 | 160 | 8-M16 | 200 | 80 | 160 | 8-φ18 |
80LG(R)50-20 | 5 | 187 | 1395 | 112 | 535 | 315 | 272 | 4-φ23 | 200 | 80 | 160 | 8-M16 | 200 | 80 | 160 | 8-φ18 |
80LG(R)50-20 | 6 | 187 | 1505 | 112 | 613 | 315 | 272 | 4-φ23 | 200 | 80 | 160 | 8-M16 | 200 | 80 | 160 | 8-φ18 |
80LG(R)50-20 | 7 | 187 | 1675 | 112 | 691 | 315 | 272 | 4-φ23 | 200 | 80 | 160 | 8-M16 | 200 | 80 | 160 | 8-φ18 |
80LG(R)50-20 | 8 | 187 | 1755 | 112 | 769 | 315 | 272 | 4-φ23 | 200 | 80 | 160 | 8-M16 | 200 | 80 | 160 | 8-φ18 |
100LG72-20 | 2 | 187 | 1185 | 122 | 343 | 315 | 272 | 4-φ23 | 220 | 100 | 180 | 8-M16 | 220 | 100 | 180 | 8-φ18 |
100LG72-20 | 3 | 187 | 1270 | 122 | 432 | 315 | 272 | 4-φ23 | 220 | 100 | 180 | 8-M16 | 220 | 100 | 180 | 8-φ18 |
100LG72-20 | 4 | 187 | 1390 | 122 | 521 | 315 | 272 | 4-φ23 | 220 | 100 | 180 | 8-M16 | 220 | 100 | 180 | 8-φ18 |
100LG72-20 | 5 | 187 | 1580 | 122 | 610 | 315 | 272 | 4-φ23 | 220 | 100 | 180 | 8-M16 | 220 | 100 | 180 | 8-φ18 |
100LG72-20 | 6 | 187 | 1655 | 122 | 699 | 315 | 272 | 4-φ23 | 220 | 100 | 180 | 8-M16 | 220 | 100 | 180 | 8-φ18 |
100LG72-20 | 7 | 187 | 1800 | 122 | 788 | 315 | 272 | 4-φ23 | 220 | 100 | 180 | 8-M16 | 220 | 100 | 180 | 8-φ18 |
100LG72-20 | 8 | 187 | 1900 | 122 | 877 | 315 | 272 | 4-φ23 | 220 | 100 | 180 | 8-M16 | 220 | 100 | 180 | 8-φ18 |
100LG72-20 | 9 | 187 | 2100 | 122 | 966 | 315 | 272 | 4-φ23 | 220 | 100 | 180 | 8-M16 | 220 | 100 | 180 | 8-φ18 |
| 刚性连接1球阀2挠性接头3压力表4真空压力表5闸阀6弯管7取压直管8水泥台座 | 柔性连接1球阀2挠性接头3取压直管4闸阀5弯管6泵7联接板8JGD型隔振器9水泥台座 |
| 联接板尺寸 | 刚性联接水泥台座基础图 |
型号 | 联接板尺寸 | 刚性联接水泥台座基础尺寸 | ||||||||||
A×A | B×B | C×C | H | d1 | d2 | D×D | E×E | F×F | H | d | h | |
25LG | 190 | 340 | 400 | 60 | φ14或φ18 | φ18 | 191 | 500 | 550 | 250 | 60 | 200 |
32LG | 220 | 440 | 500 | 60 | φ14或φ18 | φ18 | 219 | 500 | 550 | 250 | 60 | 200 |
40LG | 220 | 440 | 500 | 60 | φ14或φ18 | φ24 | 219 | 500 | 550 | 250 | 80 | 250 |
50LG | 248 | 540 | 600 | 60 | φ18或φ22 | φ24 | 248 | 550 | 600 | 350 | 80 | 250 |
65LG | 248 | 540 | 600 | 60 | φ18或φ22 | φ24 | 248 | 550 | 600 | 350 | 80 | 250 |
80LG | 272 | 540 | 600 | 60 | φ18或φ22 | φ24 | 272 | 600 | 650 | 350 | 80 | 250 |
100LG | 272 | 540 | 600 | 60 | φ22 | φ24 | 272 | 600 | 650 | 350 | 80 | 250 |
多级泵其它系列产品
GC型卧式锅炉多级泵
D/DG型卧式锅炉多级泵
D型卧式清水单吸离心多级泵
TSWA卧式清水低转速离心多级泵
CHDF不锈钢节段式卧式多级泵
GDL立式清水管道多级泵
LG立式便拆高层建筑给水清水多级泵
CHL不锈钢卧式多级泵(外筒型)
CDLF立式不锈钢轻型冲压多级泵
DL立式清水低转速多级泵
通过手机号验证后将自动下载
短信验证码已发送,可能会有延后请耐心等待
输入手机号我们将及时与您取得联系
上海海洋泵阀制造有限公司提示您:
点击立刻咨询