![]() | 序号 | 名称 | 材料 | AISI/ASTM | 序号 | 名称 | 材料 | AISI/ASTM |
| 1 | 进水体 | 不锈钢 | AISI304 | 8 | 机械密封 | |||
| 2 | 堵头 | 不锈钢 | AISI304 | 9 | 电机端盖 | 铝合金 | ||
| 3 | 轴承 | 碳化钨 | 10 | 底座 | 铸铁 | ASTM258 | ||
| 4 | 叶轮 | 不锈钢 | AISI304 | 11 | 拉杆 | 不锈钢 | AISI304 | |
| 5 | 轴 | 不锈钢 | AISI304 | 12 | 导叶 | 不锈钢 | AISI304 | |
| 6 | 出水导叶 | 不锈钢 | AISI304 | 13 | 支撑导叶 | 不锈钢 | AISI304 | |
| 7 | 出水体 | 不锈钢 | AISI304 | 14 | 叶轮隔套 | 不锈钢 | AISI304 |
| 型号 | 电机N(KW) | 流量Q(m3/h) | 0.5 | 1.0 | 1.5 | 2.0 | 2.5 | 3.0 | 3.5 |
| CHDF2-20 | 0.37 | 扬程 H (m) | 19 | 18 | 16 | 14 | 13 | 11 | 9 |
| CHDF2-30 | 0.55 | 扬程 H (m) | 28 | 27 | 24 | 21 | 20 | 17 | 14 |
| CHDF2-40 | 0.55 | 扬程 H (m) | 36 | 34 | 32 | 28 | 26 | 23 | 17 |
| CHDF2-50 | 0.55 | 扬程 H (m) | 46 | 43 | 40 | 35 | 33 | 28 | 22 |
| CHDF2-60 | 0.75 | 扬程 H (m) | 54 | 50 | 48 | 42 | 38 | 33 | 25 |
| 型号 | 电机N(KW) | 流量Q(m3/h) | 1 | 2 | 3 | 4 | 5 | 6 | 7 |
| CHDF4-20 | 0.55 | 扬程 H (m) | 19 | 18 | 16 | 15 | 13 | 10 | 7 |
| CHDF4-30 | 0.55 | 扬程 H (m) | 28 | 27 | 24 | 22 | 19 | 15 | 10 |
| CHDF4-40 | 0.75 | 扬程 H (m) | 38 | 36 | 32 | 30 | 26 | 20 | 14 |
| CHDF4-50 | 1.1 | 扬程 H (m) | 46 | 44 | 41 | 38 | 32 | 26 | 20 |
| CHDF4-60 | 1.1 | 扬程 H (m) | 55 | 53 | 50 | 45 | 37 | 31 | 26 |
| 型号 | 电机N(KW) | 流量Q(m3/h) | 5 | 6 | 7 | 8 | 9 | 10 | 11 |
| CHDF8-10 | 0.75 | 扬程 H (m) | 9.5 | 9.3 | 9 | 8.5 | 7.5 | 6.5 | 5.5 |
| CHDF8-20 | 0.75 | 扬程 H (m) | 19 | 18.5 | 18 | 17 | 15 | 13 | 11 |
| CHDF8-30 | 1.1 | 扬程 H (m) | 29 | 28 | 27 | 25.5 | 22.5 | 20 | 17.5 |
| CHDF8-40 | 1.5 | 扬程 H (m) | 39 | 38 | 36 | 34 | 30 | 26.5 | 22.5 |
| CHDF8-50 | 2.2 | 扬程 H (m) | 49 | 47 | 45 | 42.5 | 38 | 33.5 | 28 |
| 型号 | 电机N(KW) | 流量Q(m3/h) | 10 | 12 | 14 | 16 | 18 | 20 | 22 |
| CHDF16-10 | 1.1 | 扬程 H (m) | 12 | 11.5 | 10.5 | 10 | 9 | 7.5 | 6.5 |
| CHDF16-20 | 2.2 | 扬程 H (m) | 24 | 23 | 22 | 21 | 19 | 17 | 14.5 |
| CHDF16-30 | 3 | 扬程 H (m) | 37 | 36 | 34 | 32 | 30 | 27 | 23 |
| CHDF16-40 | 4 | 扬程 H (m) | 50.5 | 49 | 46 | 43 | 40.5 | 36 | 31.5 |
![]() | ||||||||
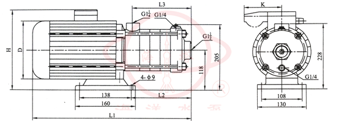
| 型号 | 电机 | L1(mm) | L2(mm) | L3(mm) | D(mm) | H(mm) | K(mm) | 重量(kg) |
| CHDF2-20 | 单相 | 305 | 87 | 84 | 145 | 215/230 | /96 | 15 |
| CHDF2-30 | 单相 | 323 | 105 | 102 | 145 | 215/230 | /96 | 15 |
| CHDF2-40 | 单相 | 341 | 123 | 120 | 145 | 215/230 | /96 | 15 |
| CHDF2-50 | 单相 | 359 | 141 | 138 | 145 | 215/230 | /96 | 15 |
| CHDF2-60 | 单相 | 422 | 159 | 156 | 170 | 225/245 | /100 | 17 |
![]() | ||||||||
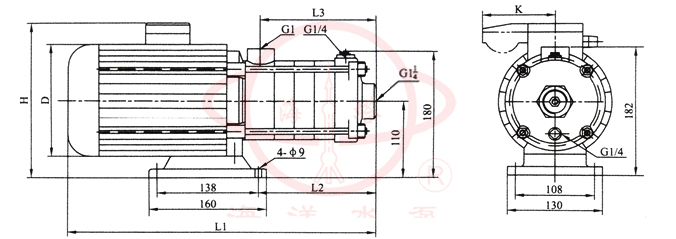
| 型号 | 电机 | L1(mm) | L2(mm) | L3(mm) | D(mm) | H(mm) | K(mm) | 重量(kg) |
| CHDF4-20 | 单相 | 329 | 105 | 102 | 145 | 215/230 | /96 | 15 |
| CHDF4-30 | 单相 | 356 | 132 | 129 | 145 | 215/230 | /96 | 15 |
| CHDF4-40 | 单相 | 416 | 162 | 156 | 170 | 225/245 | /100 | 17 |
| CHDF4-50 | 单相 | 455 | 188 | 183 | 170 | 225/245 | /100 | 17 |
| CHDF4-60 | 单相 | 482 | 213 | 210 | 170 | 225/245 | /100 | 17 |
![]() | ||||||||
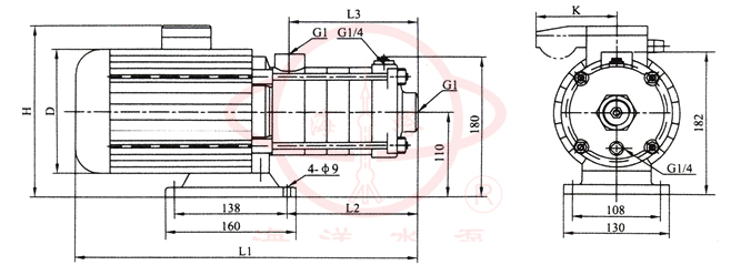
| 型号 | 电机 | L1(mm) | L2(mm) | L3(mm) | D(mm) | H(mm) | K(mm) | 重量(kg) |
| CHDF8-10 | 单相 | 395 | 126 | 108 | 170 | 230/252 | /100 | 20 |
| CHDF8-20 | 单相 | 395 | 126 | 108 | 170 | 230/252 | /100 | 20 |
| CHDF8-30 | 单相 | 425 | 156 | 138 | 170 | 230/252 | /100 | 25 |
| CHDF8-40 | 单相 | 490 | 186 | 168 | 180 | 240/260 | /100 | 28 |
| CHDF8-50 | 单相 | 520 | 216 | 198 | 180 | 240/260 | /100 | 30 |
![]() | |||||||||||||||
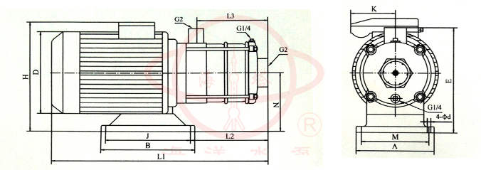
| 型号 | 电机 | L1 | L2 | L3 | H | D | E | N | A | M | B | j | d | k | 重量(kg) |
| CHDF16-10 | 单相 | 423 | 151 | 126 | 230/265 | 180 | 227 | 117 | 130 | 108 | 160 | 138 | 9 | /100 | 17.5 |
| CHDF16-20 | 单相 | 455 | 151 | 126 | 240/270 | 180 | 228 | 118 | 130 | 108 | 160 | 138 | 9 | /100 | 27 |
| CHDF16-30 | 单相 | 561 | 196 | 171 | 270/ | 195 | 240 | 130 | 130 | 108 | 160 | 138 | 9 | 33 | |
| CHDF16-40 | 单相 | 621 | 339 | 216 | 270/ | 220 | 230 | 120 | 230 | 109 | 190 | 140 | 12 | 41 | |
| 故障现象 | 可能产生的原因 | 排除方法 |
| 1、水泵不出水 | a、进出口阀门未打开,进出管路阻塞,流道叶轮阻塞。 b、电机运行方向不对,电机缺相转速很慢。 c、吸入管漏气。 d、泵没灌满液体,泵腔内有空气。 e、进口供水不足,吸程过高,底阀漏水。 f、管路阻力过大,泵选型不当。 | a、检查,去除阻塞物 b、调整电机方向,坚固电机接线 c、拧紧各密封面,排除空气 d、打开泵上盖或打开排气阀排尽空气 e、停机检查、调整(并网自来水管和带吸程使用易出现此现象 f、减少管路弯道,重新选泵。 |
| 2、水泵流量不足 | a、先按1.原因检查。 b、管道,泵,叶轮流道部分阻塞,水垢沉积,阀门开度不足 c、电压偏低 d、叶轮磨损 | a、先按1.排除 b、去除阻塞物重新调整阀门开度。 c、稳压。 d、更换叶轮。 |
| 3、功率过大 | a、超过额定流量使用 b、吸程过高 c、泵轴磨损 | a、调节流量,关小出口阀门 b、降低 c、更换轴承 |
| 4、杂音振动 | a、管路支撑不稳。 b、液体混有气体。 c、产生汽蚀。 d、轴承损坏。 e、电机超载发热运行。 | a、稳固管路 b、增加进口压力、排气 c、降低真空度 d、更换轴承 e、调整按4。 |
| 5、电机发热 | a、流量过大、超载运行。 b、碰擦。 c、电机轴承损坏。 d、电压不足。 | a、关小出口阀。 b、检查排除。 c、更换轴承。 d、稳压。 |
| 6、水泵漏水 | a、机械密封磨损。 b、泵体有砂孔或破裂。 c、密封面不平整。 d、安装螺栓松懈。 | a、更换。 b、焊补或更换。 c、修整。 d、坚固。 |
离心泵其它系列产品
TD立式管道循环离心泵
S型卧式玻璃钢化工离心泵
IHF单级单吸氟塑料合金化工离心泵
FS玻璃钢化工离心泵
FSB氟塑料合金化工离心泵
IH卧式单级单吸化工离心泵
IS卧式单级单吸离心泵
PF/FP耐腐蚀聚丙烯塑料离心泵
CWB漩涡式磁力离心泵
ISWD卧式单级单吸低转速管道离心泵
ISW、ISWR、ISWH卧式单级单吸管道离心泵
ISGB立式便拆式管道离心泵
ISGD立式单级低转速管道离心泵
ISG立式单级单吸管道离心泵
CQB-G高温磁力离心泵
CQB-F氟塑料磁力离心泵
CQB不锈钢化工磁力离心泵
CQF氟塑料磁力离心泵
CQ不锈钢化工磁力离心泵
HYL和HYLZ不锈钢耐腐蚀(自吸)离心泵
FZB氟塑料合金化工自吸离心泵
ZCQ不锈钢自吸磁力离心泵
ZXL直联式清水自吸离心泵
ZX清水自吸离心泵
SOW型蜗壳式双吸清水管道离心泵
S型单级双吸清水离心泵
SL立式玻璃钢化工管道离心泵
GBF立式衬氟化工管道离心泵
G型立式屏蔽管道离心泵
PBG立式清水屏蔽管道离心泵
SPG立式清水屏蔽管道离心泵
GW无堵塞排污管道离心泵
GC型卧式锅炉多级离心泵
D/DG型卧式锅炉多级离心泵
D型卧式清水单吸多级离心泵
TSWA卧式清水低转速多级离心泵
CHDF不锈钢节段式卧式多级离心泵
GDL立式清水管道多级离心泵
LG立式便拆高层建筑给水清水多级离心泵
DL立式清水低转速多级离心泵
CQB-L立式管道磁力驱动离心泵
CHL卧式不锈钢多级离心泵(外筒型)
AFB单级单吸悬臂式耐腐蚀离心泵
CDLF立式不锈钢轻型多级离心泵
通过手机号验证后将自动下载
短信验证码已发送,可能会有延后请耐心等待
输入手机号我们将及时与您取得联系
上海海洋泵阀制造有限公司提示您:
点击立刻咨询