SK-Z直联水环式真空泵
SK-Z直联水环式真空泵
SK-Z直联水环式真空泵

产品型号:

产品介绍

型号意义
SK直联水环式真空泵型号意义

 

用途及使用范围
SK直联水环式真空泵SK-0.4、SK-0.8 、SK-1.0 、SK-1.5B型水环泵是用来抽吸空气和其它无腐蚀性、不溶于水、不含有固体颗粒的气体,以便在密闭容器中形成真空。吸入气体中允许含有少量液体。
SK型直联水环式真空泵广泛用于机械、石油、化工、制药、食品、陶瓷印染、冶金等行业,还特别适合作大型水泵引水用。
由于在工作过程中,气体的压缩是等温的,在抽吸具有腐蚀性、易燃、易爆的气体时,不易发生危险,所以其应用更加广泛。

 

工作原理

图一

SK直联水环式真空泵工作原理

1

叶轮

2

泵体

3

水环

4

吸气孔

5

排气孔

6

橡胶球阀

如图(一)所示,叶轮偏心地安装在泵体内,泵起动时,向泵内注入一定高度的水,当叶轮旋转时,水受离心力的作用而在泵体内壁形成一旋转水环,水环下部内表面与轮毂相切,沿箭头方向旋转时,在前半转过程中,水环内表面逐渐与轮毂脱离,因此在叶片间形成空间并逐渐扩大,内部压力低于入口处压力,此时吸入气体。在后半转过程中,水环内表面逐渐与轮毂靠近,叶片间的空间容积缩小,气体压力高于大气压时被排出。
如此叶轮反复工作,SK直联水环式真空泵就连续不断地抽吸气体。
由于在工作过程中,水会随工作时间的延续而发热,同时部分水会与气体一起被排出,因此,工作过程中须不断地向泵内供给冷水,以冷却和补充泵内消耗的水。
当泵排出的气体是废气时,在排气端可接一水箱,废气和带出的一部分水排入水箱后,气体再由水箱的排气管排出,而水就落入水箱的底部经回水管再回到泵内使用。如果水循环时间长了水便发热,这时再从水箱供水处供给一定能量的冷。


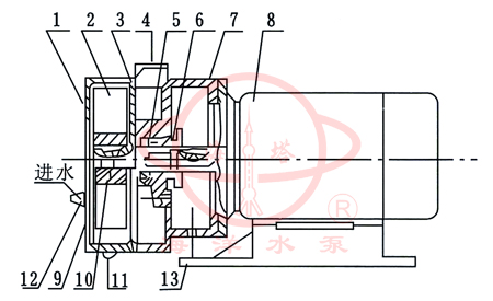
结构说明

图二

SK直联水环式真空泵结构说明

1

泵盖

8

电机

2

叶轮

9

3

圆盘

10

平键

4

进排气口法兰

11

丝堵

5

填料

12

水咀

6

填料压盖

13

底盘

7

泵体



SK直联水环式真空泵的结构如图二所示:主要是由泵盖、叶轮、泵体组成,泵体上部有进排气口法兰,轴偏心装在泵体内,叶轮用平键固定于轴上,叶轮与泵盖及圆盘间的间隙,用泵体和圆盘之间间的垫子来调整,此间隙决定气体在泵内由进气口至排气口流动中损失的大小。
填料装在泵体内,密封水经泵体上的针孔流入填料中,叶轮形成水环所需的补充水经由泵体上的弯头供给,它可与自来水或汽水分离器联在一起,供给循环水。
在圆盘上排气孔下面有几行圆孔,用橡皮球阀关闭,这些孔的作用是当叶片间气体压力达到排气力时,在排气口之前就将气体自动放出,因此减少因气体压力过大而消耗功率。


 

技术规范

型号

气量
(m3/min)

真空度为-450 mm Hg
时气量(m3/min)

极限真空

转速
(r.P.m)

功率
(KW)

水耗量
(l/min)

(M)Pa

(mm Hg)

SK-0.15

0.15

0.12

-0.093

-700

2860

0.75

1-3

SK-0.4

0.4

0.36

-0.093

-700

2860

1.5

1-3

SK-0.8

0.8

0.72

-0.093

-700

2860

2.2

3-5

SK-1.5B

1.5

1.35

-0.096

-720

2860

4

5-10

注:SK直联水环式真空泵表中列数据在下列条件下得出:
1、大气压力0.1013Mpa(760mmHg)
2、进水温度15℃
3、吸入空气温度20℃
4、空气相对湿度70%
5、性能允许偏差±10%

 

使用维护说明
1、真空泵启动前,须检查电机旋转方向是否与泵的旋转方向相符。启动真空泵后,再调节进水量的大小,然后检查填料压紧是否适当 (填料正常压紧是能够使泵中的水成滴的向外漏出),SK-1.5B应先加水再启动真空泵,再调节进水量的大小,轴承运转润滑是否正常。
2、真空泵启动以后,须观察是否有振动,细听泵内是否有杂声,并测定填料函和轴承温度(正常轴承温度不得比环境温度高出35℃,工作温度不得高于70℃)若温度超高,应立即停车检查原因。
3、真空泵作为水泵真空引水用时,其运转期间将水泵内的空气全部吸出,直到水泵内吸出水来以后,即开动水泵,待水泵正常工作后将真空泵停车,并将吸气管路的阀门关闭。
4、真空泵停车顺序
(1)关闭进气管路上闸阀
(2)关闭供水管路上闸阀,停水后不宜立即停泵,应使泵继续运转1-2分钟排出部分工作液。机械密封应先停泵再停水。
(3)关闭电动机。
(4)如果停车时间超过一天,须将泵盖底部的螺塞打开,将泵体内水放净。
5、泵在下列条件下使用时,应加附属设备。
(1)被告抽除空气或气体中含有灰尘,必须在进气管上安装过滤器。
(2)被抽气体中含有大量蒸气时,必须在进气管上安装冷凝器。
(3)抽除带有腐蚀性气体时,在进入泵前必须进行中和。
(4)被抽气体的温度超过35℃时,在进入泵前必须经过冷凝装置,以保证温度不超过35℃。
(5)被抽气体中含有大量液体时,必须在进气管前装汽水分离器。
(6)泵的起动电流往往是电机额定电流几倍,必须配用起动开关。
注:①本单位产品随技术改进等原因,不经预告可变更。
      ②本单位产品在保修期内不经本单位允许,不得随意拆卸。

真空泵其它系列产品

  • SZB水环式真空泵

  • SZ型水环式真空泵

  • 2BE1水环式真空泵

  • 2SK双级水环式真空泵

  • SKA(2BV)水环式真空泵

  • SK-Z直联水环式真空泵

  • SK水环式真空泵

  • H-150滑阀式真空泵

  • 2XZ直联旋片式真空泵

  • 2X双级油封机械真空泵



联系我们

输入手机号我们将及时与您取得联系

点击立刻咨询

提交成功!

上海海洋泵阀制造有限公司提示您:

请输入正确的手机号码!
确定
关闭
获取产品图册资料

通过手机号验证后将自动下载

手机号码格式不正确,请重新输入
获取验证码

短信验证码已发送,可能会有延后请耐心等待

关闭
高级工程师
专业为您选型报价

输入手机号我们将及时与您取得联系

提交成功!

上海海洋泵阀制造有限公司提示您:

请输入正确的手机号码!
确定
工程师一对一服务

点击立刻咨询