PF/FP聚丙烯塑料耐腐蚀泵
PF/FP聚丙烯塑料耐腐蚀泵
PF/FP聚丙烯塑料耐腐蚀泵

产品型号:

产品介绍

型号意义

PF/FP聚丙烯塑料耐腐蚀泵型号意义

 

产品简介
PF/FP聚丙烯塑料耐腐蚀泵是一种耐腐蚀塑料离心泵,其体积小、效率高,形状美观、结构合理。
PF/FP聚丙烯塑料耐腐蚀泵的自吸功能克服了塑料泵因断水、未加引水、引起密封件发热烧坏塑料件的致命缺点,大大提高了泵的使用寿命。
PF/FP聚丙烯塑料耐腐蚀泵过流部件采用ABS、PP等塑料适用于食物净水、化工等行业,数十年来一直是水处理,是化工等行业所必须的配套设备。本企业坚持质量品优,不断改进产品性能,已深受广泛用户欢迎和青睐,欢迎更多的新老客户前来咨询订购。
FP节能耐腐蚀离心泵,FP(Z)自吸泵,采用聚偏二氟乙烯(PVDF),增强聚丙烯(CFR-PP)一次注塑料成型。机械强度高,耐腐蚀性能强,自吸泵结构上独具一格的科学性,泵腔内设有吸液室、储液室、回液止回阀、气液分离室,回流孔。只需在第一次开前灌注引液,以后不必重复灌注引液,在吸送介质时,液体可时断时续,断液15分钟内来液可继续吸送,机械密封不需另加冷却水冷却,操作简便、安全无泄露,是取代液下泵的理想产品。
PVDF材质:气密性好,无毒、无污染,抗氧不老化,机械性能好,耐强氧化剂、卤素、芳烃溶剂,工作温度-40~120℃。
CFR-RP材质:无毒、无污染,耐一般酸碱盐类,工作温度-14~80℃

 

产品特点
具有体积小、重量轻、结构简单、使用方便、效率高,价格低。泵体内腔光滑,叶轮为闭式,采用机械密封和耐橡胶圈密封等二种,全轴为不锈钢用套筒式连接。

 

产品用途
主要用于输送酸,碱,盐等腐蚀性液体,但不得用于输送若干对工程塑料有显著作用的化学品,如芳烃、脂肪烃的卤素衍生物,酮类及浓酸碱等。

 

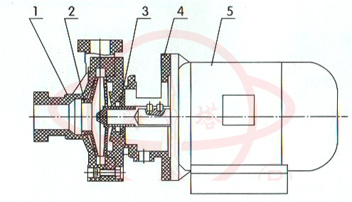
结构图

PF/FP聚丙烯塑料耐腐蚀泵结构图

序号

名称

1

泵壳

2

叶轮-轴总成

3

机械密封

4

泵盖

5

电机

 

性能曲线

102/103/104/105塑料化工泵曲线图

 

性能参数

产品名称

型号

口径mm

流量(m3/h)

扬程(mm)

功率(KW)

转速(r/min)

吸程(m)

电压(V)

进口

出口

101塑料离心泵

FP(FS)65-50-150

65

50

20

25

4

2840

5.5

380

102塑料离心泵

FP(FS)40-32-125

40

32

12.5

20

1.5

2900

6

380

103塑料离心泵

FP(FS)32-25-105

32

25

6.3

8

0.75

2900

6

380

104塑料离心泵

FP(FS)32-25-100

32

25

4

7

0.55

2900

6

220

101.5塑料离心泵

FP(FS)50-40-130

50

40

20

17

2.2

2900

3

380

105塑料离心泵

FP(FS)20-15-100

20

15

6.5

6.5

0.37

2900

3

220 380

 

安装尺寸

尺寸

A

B

C

D

E

F

G

名称

型号

101塑料离心泵

FP(FS)65-50-150

610

340

65

50

190

140

152

102塑料离心泵

FP(FS)40-32-125

500

250

40

32

140

100

120

103塑料离心泵

FP(FS)32-25-105

400

240

32

25

120

90

110

104塑料离心泵

FP(FS)32-25-100

400

240

32

25

120

90

110

101.5塑料离心泵

FP(FS)50-40-130

510

250

50

40

140

120

120

105塑料离心泵

FP(FS)20-15-100

380

120

20

15

120

90

110

1、PF/FP聚丙烯塑料耐腐蚀泵应水平安装,泵体不得承受管路重量,对于特殊要求垂直安装的场合,电机务必朝上。
2、泵在使用前泵体内须注水。当抽吸液面高于泵轴心线时,启动前打开吸入管道阀门即可,若抽吸液面低于泵轴心线,管道需配底阀。
3、电机启动前,应检查其旋转方向是否与泵转向标记一致。
4、被输送介质及温度应泵材质允许的范围内(见附表)。塑料化工泵使用温度≤60℃,电机温升不得超过75℃,环境温度≤40℃。

 

材质的耐腐蚀性能

介质

浓度

CFR-PP


介质

浓度




25℃

65℃

90℃

20℃

60℃

80℃

硫酸H2SO4

98%

硫酸H2SO4

<30%

X


70%


30~70%

X


1~50%

>75%

X

X


硝酸HNO3

硝酸HNO3

10%


20%

20%



10%

25~35%







>50%

X

X


盐酸HC1

0~30%

X

盐酸HC1

>30%

X


氢氟酸


X

X

氢氟酸

>10%

X


40~48%

X


醋酸

1~50%

醋酸

>20%


磷酸

各种浓度

磷酸

>30%

X

X


氢氧化钠


氢氧化钠


氯化钢


氯化钢


X

氯化钢



乙醇


乙醇



漂白液


漂白液


X

 

故障原因及排除方法

故 障

原 因

排除方法

泵不出液

1、泵反转
2、进液管道漏气
3、泵腔蓄液太少
4、吸程太高
5、底阀漏水
6、叶轮受阻不转
1、改变电机接线
2、杜绝漏气
3、增加蓄液位置
4、降低泵安装位置
5、清理底阀
6、清洗泵壳、叶轮

流量不足

1、吸入管径太小
2、叶轮流道阻塞
3、扬程过高
4、吸入管路有气漏进
5、叶轮损坏
1、调换进液器
2、清洗叶轮
3、开大出液阀
4、杜绝漏气
5、更换叶轮

扬程过低

1、流量过大
2、转速太低
1、关小出水阀
2、恢复额定转速

噪音过低

1、泵内有杂物
2、转动件与固定件碰擦
3、轴严重磨损
1、检查清理
2、调整间隙
3、更换泵轴

漏液

1、泵壳固定螺钉松动
2、机械密封严重磨损
1、拧紧螺钉
2、更换机械密封

 

耐腐蚀泵其它系列产品

  • IHF单级单吸氟塑料耐腐蚀泵

  • FS玻璃钢化工耐腐蚀泵

  • FSB氟塑料合金化工耐腐蚀泵

  • AFB单级单吸悬臂式耐腐蚀泵

  • IH卧式单级单吸耐腐蚀泵

  • PF/FP聚丙烯塑料耐腐蚀泵

  • CQF氟塑料磁力耐腐蚀泵

  • FY不锈钢化工液下耐腐蚀泵

  • CQB-L立式管道磁力驱动耐腐蚀泵



联系我们

输入手机号我们将及时与您取得联系

点击立刻咨询

提交成功!

上海海洋泵阀制造有限公司提示您:

请输入正确的手机号码!
确定
关闭
获取产品图册资料

通过手机号验证后将自动下载

手机号码格式不正确,请重新输入
获取验证码

短信验证码已发送,可能会有延后请耐心等待

关闭
高级工程师
专业为您选型报价

输入手机号我们将及时与您取得联系

提交成功!

上海海洋泵阀制造有限公司提示您:

请输入正确的手机号码!
确定
工程师一对一服务

点击立刻咨询