FPZ增强聚丙烯耐腐蚀自吸泵
FPZ增强聚丙烯耐腐蚀自吸泵
FPZ增强聚丙烯耐腐蚀自吸泵

产品型号:

产品介绍

型号意义
FPZ增强聚丙烯耐腐蚀自吸泵型号意义

 

 

产品简介
FPZ增强聚丙烯耐腐蚀自吸泵,采用增强聚丙烯(CFR-PP)一次注塑成型。机械强度高,耐腐蚀性能强,结构上有独具一格的科学性,泵腔内设有吸液室、储液室、回液止回室、气液分离室、回流孔。只需在第一次开机前灌注引液,以后不必重复灌注引液,吸入管安装液下阀,工作时机械密封不需另加冷却水冷却,操作简便、安全无泄漏,是取代液下泵的理想产品,适用于-40℃-80℃(CFR-PP)的各种腐蚀性介质的输送。

 

 

 

产品用途
FPZ增强聚丙烯耐腐蚀自吸泵适用于:化工、制药、食品、冶炼、环保、污水处理、无机盐等行业。

 

 

 

型谱图

FPZ增强聚丙稀耐腐蚀自吸泵型谱图


 

 

安装使用注意事项
1、FPZ增强聚丙烯耐腐蚀自吸泵在安装使用前(由于长途运输)必须仔细检查各部紧固体是否松动,若有松动应重新紧固,检查泵轴与电机轴的同心度,如有偏离必须校正。
2、安装管道不可直接支撑在泵的进出口法兰上,必须另设支撑点,以防变形损坏。进口管路要尽量减少管路水力损失,90°弯头不得超过两个,吸入管不得漏气,否则会影响抽真空吐液时间或出现不吐液及流量,扬程不足。
3、第一次使用开机前打开液盖,将引液注满泵体,并将液液盖拧紧,不得漏气,严禁脱液空转及反转。
4、输送液不能含有泥沙或较长软纤维,以防的是损坏叶轮及机械密封。
5、泵的出口应装阀门,先关阀再停机,先开机再开阀。

 

 

 

保养及维修
1、使用一段时间后,发现机械密封端面泄漏,是羰面磨损所致,应调整动环,放松不钢锈钢半圆的两颗螺钉,适用向前推进,用手旋转泵轴以轻松无阻力为佳,为松会产生泄漏,过紧易磨损影响机械密封的寿命。
2、每天连续开机8~16个小时。24小时连续运转的应有备件,定期更换维修,更换期一般为二至三个月,到期都应拆下来检修。不影响生产,非连续运转生产的可随时检修。
3、输送介质比生大于1.2时应另配电机,否则将影响扬程或导致电机烧坏。
4、拆卸顺序为:卸下电机、支架、底板螺钉、卸下机械密封罩,准予却水咀、松开动环卡环螺栓,静环压板螺栓、前后泵盖螺栓,将叶轮轴拉杆冯定螺钉拧松,拧出3~5mm,用铁锤敲打拉杆,将叶轮打松后,卸下拉杆、叶轮和机械密封,在卸机械密封件时应手工操作,不可用金属工具敲打,严防损坏。
5、检修:清除泵壳、前后泵盖、叶轮、机械密封组件内的污物,并冲刷干净,无损坏的可继续使用,检查机械密封两端面有无损坏,动环端面磨损或划伤较少的可用细金相砂放在平板进行磨平,可继续使用。

 

 

 

技术参数

型号

口径(mm)

流量 (m3/h)

扬程
(m)

电机功率(kw)

转速
(r/min)

自吸高度(m)

进口

出口

25FPZ-10 (自吸)

25

25

2.5

10

0.75

2900

3

32FPZ-11 (自吸)

32

25

3.5

11

0.75

2900

3

40FPZ-18(自吸)

40

32

11

18

1.5

2900

4

50FPZ-20 (自吸)

50

40

13

20

2.2

2900

4

65FPZ-25 (自吸)

65

50

20

25

4

2900

4

80FPZ-32 (自吸)

80

65

50

32

7.5

2900

4

 

 

 

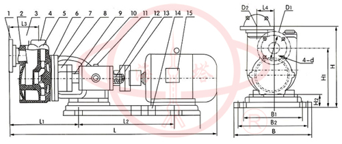
结构及安装尺寸图

1

进口法兰

9

叶轮轴

FPZ增强聚丙稀耐腐蚀自吸泵结构及安装尺寸图

2

前泵盖

10

支架

3

出口法兰

11

加油盖

4

注液体

12

拉杆螺丝

5

泵壳

13

联轴器

6

叶轮

14

底板

7

后泵盖

15

电机

8

机械密封




型号

L

L1

L2

L3

L4

H

H1

H2

B

B2

B1

D1

D2

4-d

25FPZ-10

460

290

100

110

60

260

190

50

150

110

110

100

85

12

32FPZ-11

460

290

100

110

60

260

190

50

150

110

110

100

85

18

40FPZ-18直联式

560

345

100

110

70

285

200

50

190

140

140

110

100

18

40FPZ-18联轴式

780

300

345

105

70

300

220

60

290

250

210

110

100

18

50FPZ-20直联式

570

345

125

110

70

285

200

50

190

140

140

125

110

18

50FPZ-20联轴式

790

290

345

105

70

300

220

60

290

250

210

125

110

18

65FPZ-28直联式

670

400

140

145

80

340

250

50

240

190

190

145

125

18

65FPZ-28联轴式

950

395

365

145

80

400

310

95

335

275

250

145

125

18

80FPZ-30

1030

422

385

175

110

420

325

100

380

330

255

150

145

18

 

自吸泵其它系列产品

  • WFB立式无密封自控自吸泵

  • FPZ增强聚丙烯耐腐蚀自吸泵

  • JMZ自吸酒泵

  • HYLZ不锈钢耐腐蚀离心化工自吸泵

  • FZB氟塑料合金化工自吸泵

  • ZCQ不锈钢磁力自吸泵

  • CYZ-A卧式输油自吸泵

  • ZX清水离心自吸泵

  • ZW无堵塞排污自吸泵

  • ZWL无堵塞直联式自吸泵

  • ZXL卧式直联清水离心自吸泵



联系我们

输入手机号我们将及时与您取得联系

点击立刻咨询

提交成功!

上海海洋泵阀制造有限公司提示您:

请输入正确的手机号码!
确定
关闭
获取产品图册资料

通过手机号验证后将自动下载

手机号码格式不正确,请重新输入
获取验证码

短信验证码已发送,可能会有延后请耐心等待

关闭
高级工程师
专业为您选型报价

输入手机号我们将及时与您取得联系

提交成功!

上海海洋泵阀制造有限公司提示您:

请输入正确的手机号码!
确定
工程师一对一服务

点击立刻咨询